寬帶GaAs MMIC功率放大器 陶瓷封裝0.7至2.2GHz頻段 美國進口功率放大器現貨出售
2018-06-28 14:50:37
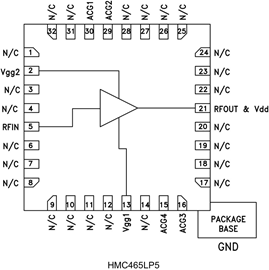
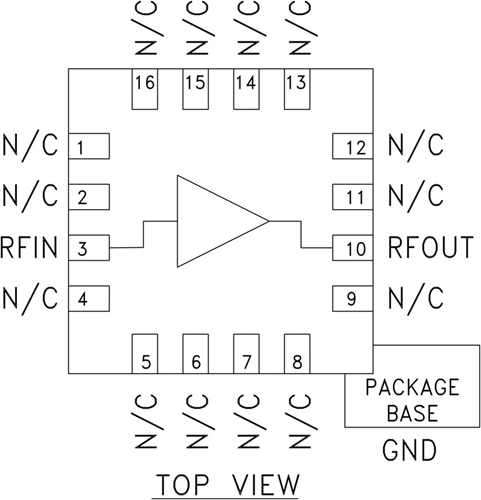
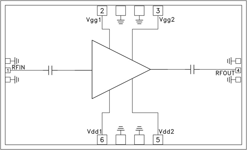
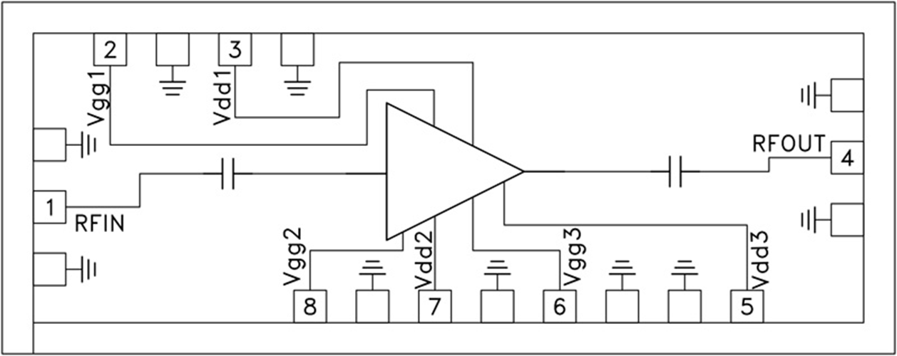
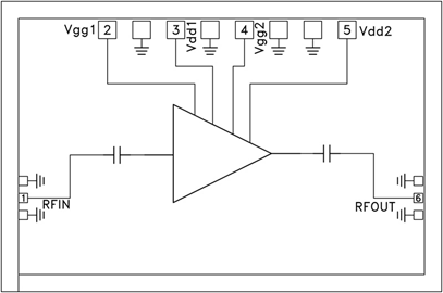
AMCOM的AM072249WM是聯通寬帶GaAs MMIC功效擴大器。它有個個30dB小4g信號增加收益和39 dBm(8W)趨于穩定打印輸出的額定功效CW耐熱性功效大于0.7至2.2GHz頻段。MMIC在兩根集成電路芯片(-00—R)中出示。包(-SN-R)表格樣式。AM072249WM SN-R是陶瓷廠家封裝形式中的一個。法蘭部和直RF和DC導至配備的降低