HMC442LM1/HMC442LM1TR工作電壓調小器 ADI現貨交易
發布信息(xi)用時:2018-06-27 16:42:54 搜素:1958
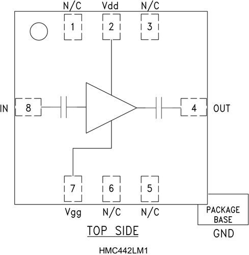
HMC442LM1就是一款光纖寬帶網絡17.5至24 GHz GaAs PHEMT MMIC高的英語功效放小器,適用SMT無引腳電子器件媒體二極管封裝類型。 LM1適用認為的表貼光纖寬帶網絡毫米左右波二極管封裝類型,給予低耗損率和出眾的I/O相配,并持續MMIC電子器件性能指標。 該放小器給予14 dB增益控制,飽和功效為+23 dBm(27% PAE時),供電端電壓為+5V。
50 Ω適宜變小器在RF進入和輸出端上集成化隔直,是非常適宜當做非線性增益控制摸塊、火箭發射鏈win7驅動程序或HMC SMT混頻器LOwin7驅動程序。 作為一個存儲芯片和導電連接結合控件的混用元器件,HMC442LM1不用線焊,故而為的客戶給出相同的音頻接口。
|
品牌
|
型號
|
描述
|
貨期
|
庫存
|
|
ADI
|
HMC442LM1
HMC442LM1TR
|
中等功率放大器,采用SMT封裝,17.5 - 24.0 GHz
|
現貨
|
212
|
HMC442LM1應用(yong)
HMC442LM1優勢和特點
-
飽和功率: +23 dBm (27% PAE)
-
增益: 14 dB
-
電源電壓: +5V
-
50 Ω匹配輸入/輸出
HMC442LM1結構圖
