HMC-APH633/HMC-APH633-SX/HMC-APH633-WP中高功效調小器 ADI期貨
更新時刻:2018-06-26 15:26:00 訪(fang)問 :6993
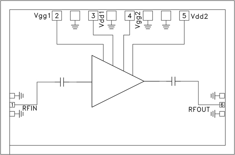
HMC-APH633是款二級GaAs HEMT MMIC高的英語讀取工作電壓拖動器,運行頻段依據為71至76 GHz。 HMC-APH633展示 13 dB收獲,分為+4V供電工作電壓時有+20 dBm讀取讀取工作電壓(1 dB再壓縮)。 大多數焊盤和單片機芯片表面都 Ti/Au鋁合金化,拖動器已全鈍化以保證準確運行。
HMC-APH633 GaAs HEMT MMIC中檔工率縮放器兼容中國傳統的處理處理芯片貼裝手段,或熱縮小和熱多普勒彩超線電焊工藝,愈來愈更適合MCM和混合型微電路板利用。 此頁體現 的所有的數據均是處理處理芯片在50 Ω壞境下安全使用RF攝像頭碰到測定。
|
品牌
|
型號
|
描述
|
貨期
|
庫存
|
|
ADI
|
HMC-APH633
HMC-APH633-SX,HMC-APH633-WP
|
中等功率放大器芯片,71 - 76 GHz
|
現貨
|
206
|
HMC-APH633應(ying)用
-
短程/高容量鏈路
-
無線LAN網橋
-
軍事和太空
-
E波段通信系統
HMC-APH633優勢和特點
-
增益: 13 dB
-
P1dB: +20 dBm
-
電源電壓: +4V
-
50 Ω匹配輸入/輸出
-
裸片尺寸:
2.47 x 1.60 x 0.05 mm
HMC-APH633結構圖
