HMC-APH634多級GaAs HEMT MMIC中低電功率變成器 ADI現貨黃金
分(fen)享時:2018-06-26 15:32:54 挑選:7012
HMC-APH634一款兩極GaAs HEMT MMIC中低檔事業輸出阻抗圖像電壓變大器,事業頻率規模為81至86 GHz。 HMC-APH634可以提供12 dB增加收益,主要采用+4V外接電源時存在+20 dBm輸出事業輸出阻抗(1 dB降低)。 全部的焊盤和集成電路原理單片機集成塊正背都經Ti/Au合金金屬化。 HMC-APH634 GaAs HEMT MMIC中低檔事業輸出阻抗圖像電壓變大器兼容傳統的的集成電路原理單片機集成塊貼裝的方式,與熱降低和熱高周波線電工藝,尤其好MCM和搭配微電路原理用。 在此信息顯示的全部的數據統計均是集成電路原理單片機集成塊在50 Ω條件下選用RF紅外探頭排斥測定。
|
品牌
|
型號
|
描述
|
貨期
|
庫存
|
|
ADI
|
HMC-APH634
|
中等功率放大器芯片,81 - 86 GHz
|
現貨
|
198
|
應用
HMC-APH634優勢和特點
-
高增益: 12 dB
-
高P1dB: +19 dBm
-
電源電壓: +4V
-
50 Ω匹配輸入/輸出
-
裸片尺寸:
2.57 x 1.70 x 0.05 mm
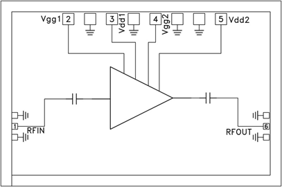
HMC-APH634結構圖
