HMC461LP3E雙管道MMIC放小器 1w高IP3放小器 ADI現貨黃金
上線準(zhun)確(que)時間:2018-06-26 11:49:49 查(cha)看:1953
HMC461LP3(E)是一個款1.7 - 2.2 GHz高輸出電壓IP3 GaAs InGaP異質結雙旋光性尖晶石管(HBT)雙綠色通道MMIC放縮器。 它在獨立結合用電線路中,給予兩人HMC455LP3高IP3驅使器的線性網絡效果,可在平橫或推挽放縮器用電線路中調試。 該放縮器給予12 dB的收獲和+30.5 dBm的飽合輸出(當PAE為48%時),選取+5 Vdc單電,一并實用平橫調試的外界巴倫。
致使存在+45 dBm的高輸入輸出IP3,再整合1.2:1的低VSWR,因HMC461LP3(E)擁有適當PCS/3G有線知識基礎設施建設管理的好控制拖動器。 雙MMIC拖動器集合電路原理進行低投資成本的無引腳3x3 mm QFN外層貼裝封裝形式(LP3)。 LP3提拱曝露基極以改變漂亮的RF和熱量散發耐磨性。
|
品牌
|
型號
|
描述
|
貨期
|
庫存
|
|
ADI
|
HMC461LP3
|
1瓦特高IP3放大器,采用SMT封裝,1.7 - 2.2 GHz
|
現貨
|
278
|
HMC461LP3應用
-
多載波系統
-
GSM、GPRS和EDGE
-
CDMA和W-CDMA
-
PHS
-
可配置平衡或推挽
HMC461LP3優勢和特點
-
+45 dBm輸出IP3(平衡配置)
-
增益:12 dB
-
PAE為48%(Pout為+30.5 dBm時)
-
+20 dBm的W-CDMA通道功率(ACP為-45 dBc時)
-
3x3 mm QFN SMT封裝
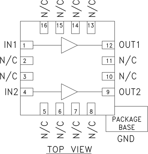
HMC461LP3結構圖
