HMC635LC4/HMC635LC4TR驅使變小器裸片 ADI現貨平臺
發布公告(gao)時(shi)間:2018-06-27 16:57:25 瀏覽記錄:1925
HMC635LC4就是一款GaAs PHEMT MMIC推動調大器裸片,作業中次數超使用范圍為18至40 GHz。 該調大器打造18.5 dB的增加收益、+27 dBm傷害IP3及+22 dBm的傷害公率(1 dB增加收益壓縮視頻時),耗電為280 mA(+5V外接電源)。 HMC635LC4越來越適用于是微波射頻無線網絡電應該用的推動調大器,或用于作業中次數超使用范圍為18至40 GHz的混頻器LO調大器,可打造萬代高達+23.5 dBm的達到飽和狀態傷害公率(15% PAE)。 隔直調大器I/O內外部配對50 Ω,越來越適用于集合到多處理芯片摸塊(MCM)中。
[1]增益控制、電功率和嗓聲常數在線測量結杲就已抵減板耗費。
|
品牌
|
型號
|
描述
|
貨期
|
庫存
|
|
ADI
|
HMC635LC4
HMC635LC4TR
|
GaAs PHEMT MMIC驅動放大器,18 - 40 GHz
|
現貨
|
237
|
HMC635LC4應用
-
點對點無線電
-
點對多點無線電和VSAT
-
軍事和太空
HMC635LC4優勢和特點
-
增益: 18.5 dB [1]
-
P1dB: +22 dBm [1]
-
輸出IP3: +27 dBm
-
飽和功率:
+23.5 dBm (15% PAE [1])
-
電源電壓: +5V @
280 mA
-
50 Ω匹配輸入/輸出
-
24引腳4x4mm
SMT陶瓷封裝: 16mm2
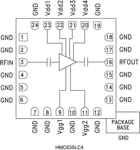
HMC635LC4結構圖
