HMC-APH403/HMC-APH403-SX三級視頻MMIC中檔工率拖動器 ADI現貨交易
上架時:2018-06-27 17:15:29 挑選:7031
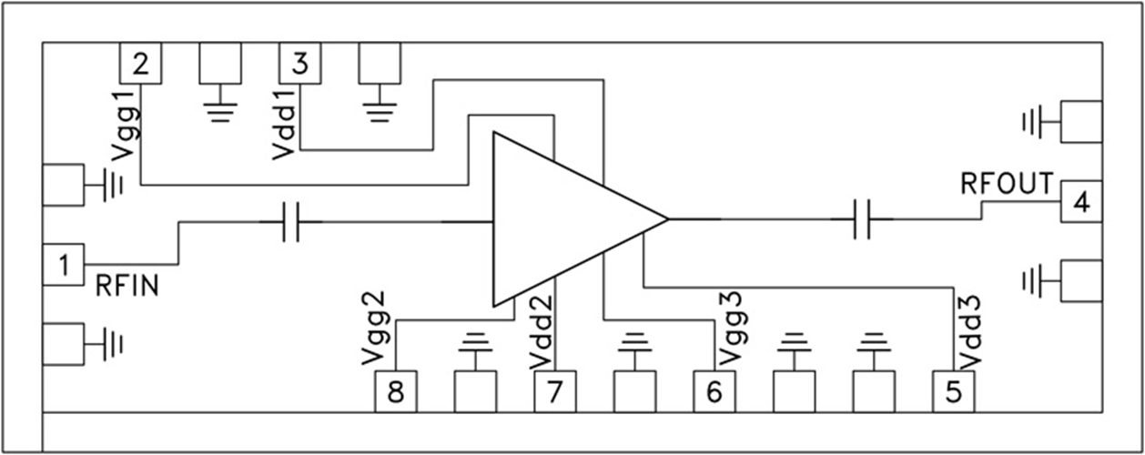
HMC-APH403一款三級GaAs HEMT MMIC中低電率擴大器,工作上規律依據為37至45 GHz。 HMC-APH403出示21 dB增益值,用+5V交流電源電流時兼具+23 dBm的輸出電率(1 dB減小)。 整個焊盤和電源芯片側面都進行Ti/Au合金化,擴大器已徹底鈍化以控制穩定可靠操作方法。
HMC-APH403 GaAs HEMT MMIC中等水平輸出放縮器兼容傳統型的集成塊貼裝方式英文,及熱壓縮的和熱超聲心動圖線焊接工藝藝,如此適MCM和混合式微電路板利用。 這里提示的那些數據源均是集成塊在50 Ω環境下適用RF紅外探頭接觸到測是。
|
品牌
|
型號
|
描述
|
貨期
|
庫存
|
|
ADI
|
HMC-APH403
HMC-APH403-SX
|
中等功率放大器芯片,37 - 45 GHz
|
現貨
|
226
|
應用領域
HMC-APH403優勢和特點
-
輸出IP3: +32 dBm
-
P1dB: +23 dBm
-
增益: 21 dB
-
電源電壓: +5V
-
50 Ω匹配輸入/輸出
-
裸片尺寸: 2.76 x 1.03 x 0.1 mm
HMC-APH403結構圖
