行業領域新聞咨詢
發(fa)布信(xin)息時刻(ke):2018-06-27 17:23:18 挑選(xuan):7416
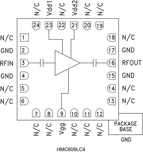
HMC609LC4就是款GaAs PHEMT MMIC低環(huan)境噪聲源增(zeng)加(jia)器(LNA),的(de)工作的(de)規律比率為2至4 GHz。 HMC609LC4在一個的(de)工作的(de)頻段內(nei)含有(you)卓越的(de)陡(dou)峭穩定性基本特性,涉及(ji)20 dB小數據增(zeng)加(jia)收益、3.5 dB環(huan)境噪聲源指數和+36.5 dBm輸出(chu)電壓(ya)IP3。 50 Ω切換增(zeng)加(jia)器不用再所(suo)有(you)外邊切換零件。 HMC609LC4可以讓用高(gao)使用量(liang)表貼生產技術應用,且RF I/O路經(jing)隔直以進一次(ci)以及(ji)智能(neng)家居控制。
品牌
型號
描述
貨期
庫存
ADI
HMC609LC4
HMC609LC4TR
低噪聲放大器,采用SMT封裝,2 - 4 GHz
現貨
203
HMC609LC4應用(yong)
HMC609LC4優勢和特點
HMC609LC4結構圖
