?MH092D3RD直流無刷馬達DELTA
2025-05-28 16:28:14
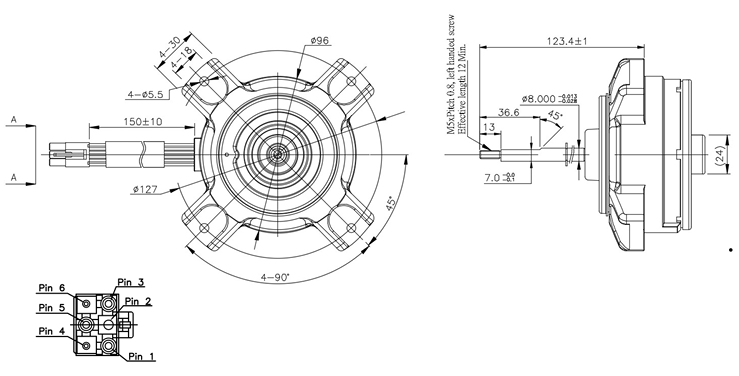
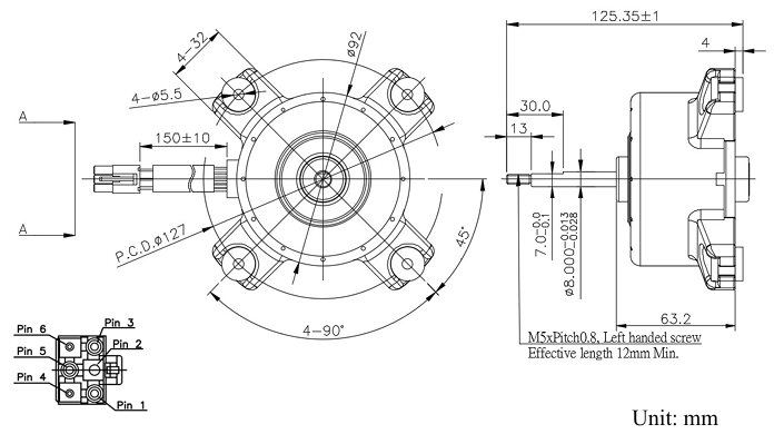
MH092D3RD 是臺達(Delta)的生產的整流無刷啟動啟動馬達,臺達在我國國內有生產車間加工該好產品并專心致志科學科技創新。此發電機使用于于工業會自動控制、機械性驅程等鄰域,其緊身設置、高電功率體積密度適宜效率高率的低噪游戲場景,有著 280~340 VDC 工作的相電壓、2100 rpm 額定值時速等幾乎運作,引腳有明晰定意,擁有效率高率的能、可信質等其優勢,將遺囑繼承無刷啟動啟動馬達效率高率的長期優點和缺點,經從嚴質量檢測報告且融合科學科技創新技能以加強耐腐蝕性與可信性 。