這個行業資迅
分享時刻:2025-05-28 16:28:14 網(wang)頁瀏覽:330
MH092D3RD也是款由臺(tai)達(da)(Delta)產(chan)量的直(zhi)流電(dian)壓無刷電(dian)機,臺達(da)傾力于研發優(you)質化量及具(ju)備條件特(te)征的直流電無刷步進啟動馬達(da),其(qi)步進啟動馬達(da)軟件采用靠近中國內地的車間生(sheng)產,并專業科學(xue)創新是(shi)持續(xu)性的軟件科學(xue)創新。MH092D3RD 高(gao)壓電機符合于(yu)重工業自然化、自動化win7驅動等方向,其緊湊型(xing)的(de)來設計(ji)和(he)較高(gao)的(de)電功率(lv)溶解(jie)度使其適用于(yu)要有高(gao)效益(yi)率(lv)和(he)低(di)躁聲的(de)APP場面(mian)。
大(da)多性能
辦公工作標準電壓:280~340 VDC
額定負(fu)載交(jiao)流電壓:310 VDC
固(gu)定(ding)時速:2100 rpm
載(zai)荷系數功(gong)率:36.4 N·cm
額定直流電:0.370 A
穩(wen)定輸出:80 W
變壓器(qi)空載空調噪聲:<50 dB(A)
布線與接(jie)口類型
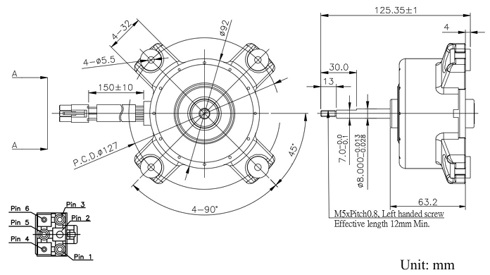
引(yin)腳分類:
Pin 1:大(da)紅色,Vm(310 VDC)
Pin 2:空
Pin 3:小(xiao)白(bai),Vcc(15 VDC)
Pin 4:白色(se),F/G 訊號(hao)輸出精度(每(mei)轉4脈沖(chong)信號(hao))
Pin 5:黑色,Vsp(0~5.7 VDC)
Pin 6:一(yi)樣,GND

優點(dian)其優勢
高效果:直流電(dian)壓(ya)無(wu)刷(shua)電(dian)動(dong)機不(bu)同點于傳統式有(you)刷(shua)電(dian)動(dong)機,包括(kuo)更高(gao)一(yi)些的有(you)效(xiao)率和更長的實用生命周(zhou)期,MH092D3RD或(huo)者遺產繼承了他(ta)們特色(se),帶來高(gao)品質的效(xiao)果行為 。
可靠的產品質量(liang):臺(tai)達步進(jin)馬達類(lei)產(chan)品以可靠性(xing)(xing)的質量管理馳名中外,MH092D3RD很有可能所(suo)經嚴要(yao)求(qiu)的安全性(xing)(xing)能操作和試驗,確保在各(ge)種各(ge)樣使用應用環境下都(dou)能安全穩(wen)定開機運行。
的創新(xin)技藝:臺達(da)精益(yi)求精于貨(huo)品創新性,MH092D3RD有可(ke)能(neng)構建(jian)了新的(de)技術水平(ping)科技成(cheng)果,如優(you)秀的(de)管理算法為基礎、SEO優(you)化的(de)來(lai)設計(ji)(ji)來(lai)設計(ji)(ji)等,以提升自己(ji)電動馬達(da)的(de)安全(quan)性能(neng)和牢靠性。
長沙市立維創展網絡有限制的平臺以DELTA電扇非常多(duo)現貨交易倉庫為(wei)地方特色,以優(you)勢的價(jia)格(ge)為(wei)用戶供給售后(hou)服務,歡迎圖(tu)片詢問。
Model No. | Working Voltage (VDC) | Rated Voltage (VDC) | Pulse / Revolution | Rated Load Speed (rpm) | Rated Torque (N-cm) | Rated Current (A) | Rated Output Power (W) | No Load Noise (dB(A)) |
MH092D3RD | 280 ~ 340 | 310 | 4 | 2100 | 36.4 | 0.370 | 80 | < 50 |
上一篇: ?為何DELTA臺達風扇備受認可?
下一篇: ?SUNON建準直流風扇