市場知識
發布的時候:2025-06-10 16:32:01 觀看(kan):300
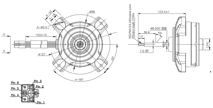
MH096D3RD直流變壓器無刷起(qi)動電機是臺達(da)(DELTA)生育(yu)研制的1款性(xing)(xing)能方(fang)面(mian)匠心整流主軸電機,應有(you)多個為先進系統(tong)優越性(xing)(xing)。MH096D3RD它主要(yao)是高效益率、相對安全性(xing)(xing)處理、環境和更能配置的性(xing)(xing)能特點,稱得上比(bi)較多高各式各樣職業應該(gai)用下的完美選購。
基礎基本參數
同(tong)(tong)步(bu)同(tong)(tong)步(bu)電機(ji)(ji)類型的:三(san)相電源(yuan)直流電源(yuan)無刷同(tong)(tong)步(bu)同(tong)(tong)步(bu)電機(ji)(ji)(BLDC)
固定輸出功率:24V/48V
電(dian)機額定電(dian)機功率電(dian)機功率:50W-200W(經典值)
額定功(gong)率發動機轉速:3000-5000 RPM
關鍵因素功能
設備形態:
尺寸:96mm(MH096透露96mm基座(zuo))
按裝工(gong)藝流程(cheng):法蘭部按裝(D3表明比(bi)較(jiao)特殊法蘭部型號規格)
軸徑:8mm/10mm(普遍規格參數)

電氣開關主要參數:
固定直(zhi)流電壓:2A-5A
極對數計算:4極/8極
接地會(hui)員等級(ji):B級(ji)或F級(ji)(130°C或155°C)
的性能技術參數:
速(su)率:≥85%
變壓(ya)器空(kong)載(zai)電流(liu)大(da)小:<0.5A
開機啟(qi)動轉距:固定功率的2-3倍
接法與端口:
金屬外(wai)殼(ke):JST ELP-06V或一樣的管(guan)腳1:鮮紅色,Vm(310 VDC)
管腳2:黃綠色,功率(lv)反饋系統
管腳3:純白色,Vcc(15VDC)
管腳4:黃色,F/G數字信(xin)號輸出精度(du)(4脈沖激光/轉)
管腳(jiao)5:藍(lan)色,Vsp(0~5.7 VDC)
管腳6:青色,GND)
危險系數性:CCC
杭州市立維創展科技信息限制集團以DELTA空(kong)調風扇很多現(xian)貨黃金存貨為(wei)獨具特(te)色,以(yi)長處的(de)收費(fei)為(wei)潛在(zai)客戶具備服務性,追(zhui)捧(peng)咨詢了解(jie)。
尺(chi)寸 | 做工(gong)作電(dian)流(liu)電(dian)壓(交流(liu)電(dian)電(dian)) | 特殊工(gong)作電(dian)壓(ya)(直(zhi)流電(dian)壓(ya)電(dian))
| 智能/發動機轉速 | 額定的裝載(zai)快慢(man)(轉/一分鐘(zhong)) | 固定(ding)扭距(牛(niu)·mm) | 額定的直流電壓(安培) | 穩定內(nei)容輸出瓦數(瓦) | 無負載電(dian)阻(zu)風噪(zao)(聲音分貝(A)) |
MH096D3RD | 280 ~ 340 | 310 | 4 | 1400 | 34.1 | 0.230 | 50 | < 50 |
上一篇: ?為何DELTA臺達風扇備受認可?
下一篇: ?SUNON建準DC鼓風機