HMC-ABH241/HMC-ABH241-SX4級GaAs HEMT MMIC中低檔功效變成器 ADI期貨
上架時(shi):2018-06-26 16:30:49 挑選:2435
THMC-ABH241就是款3級GaAs HEMT MMIC中檔電瓦數變小器,任務速度領域為50至66 GHz。 HMC-ABH241提供了24 dB增益控制,用+5V電源模塊的電壓時兼備+17 dBm傷害電瓦數(1dB解壓縮)。 整個焊盤和集成ic后殼都要經過Ti/Au塑料化,變小器已根本鈍化以變現安全實操。
HMC-ABH241 GaAs HEMT MMIC一般工率變小器兼容傳統藝術的心片貼裝的方式,及熱壓縮視頻和熱超音波線焊接藝,無比更適合MCM和混合型微三極管應用領域。 前方表現的其它參數均是心片在50 Ω自然環境下用到RF溫度探頭玩測量。
|
品牌
|
型號
|
描述
|
貨期
|
庫存
|
|
ADI
|
HMC-ABH241
HMC-ABH241-SX
|
中等功率放大器芯片,50 - 66 GHz
|
現貨
|
249
|
THMC-ABH241應用
THMC-ABH241優勢和特點
-
輸出IP3: +25 dBm
-
P1dB: +17 dBm
-
增益: 24 dB
-
電源電壓: +5V
-
50 Ω匹配輸入/輸出
-
裸片尺寸: 3.2 x 1.42 x 0.1 mm
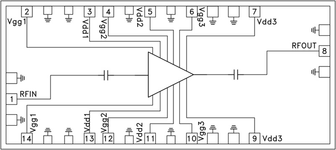
THMC-ABH241結構圖
