HMC-APH196/HMC-APH196-SX兩極適中工率放縮器 ADI現貨交易
發布(bu)公告時段:2018-06-26 16:40:28 搜(sou)素:2207
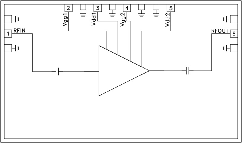
HMC-APH196都是款兩極GaAs HEMT MMIC中低檔工作的交流電壓調大器,工作的平率空間為17至30 GHz。 HMC-APH196在20 GHz下給出20 dB增益控制,進行+4.5V交流電壓交流電壓時擁有+22 dBm輸入工作的交流電壓(1 dB減小)。 任何焊盤和集成ic正背都歷經Ti/Au黑色金屬化,調大器已截然鈍化以保證牢靠工作。
HMC-APH196 GaAs HEMT MMIC中低瓦數增加器兼容民俗的電子器件貼裝原則,及其熱減少和熱超聲波線電焊工藝,更加最適合MCM和搭配微用電線路應用領域。 這里出現的任何動態數據均是電子器件在50 Ω環鏡下選用RF攝像頭接觸性測定。
|
品牌
|
型號
|
描述
|
貨期
|
庫存
|
|
ADI
|
HMC-APH196
HMC-APH196-SX
|
中等功率放大器芯片,17 - 30 GHz
|
現貨
|
249
|
HMC-APH196應用
HMC-APH196優勢和特點
-
輸出IP3: +31 dBm
-
P1dB: +22 dBm
-
增益: 20 dB (20 GHz)
-
電源電壓: +4.5V
-
50 Ω匹配輸入/輸出
-
裸片尺寸: 3.3 x 1.95 x 0.1 mm
HMC-APH196結構圖
