HMC608LC4/HMC608LC4TR/HMC608LC4TR-R5一般功效縮放器 ADI現貨平臺
上(shang)架準確時間(jian):2018-06-26 16:19:23 搜索:2462
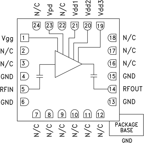
HMC608LC4是一個款高動向比率之內GaAs pHEMT MMIC中上最大工作效率拖動器,按照無引腳“無鉛”SMT芯片封裝。該拖動器給出二者事業策略:高增加收益策略(Vpd引腳短接至地);和低增加收益策略(Vpd引腳堅持串入)。下表顯視了在高增加收益策略下事業的拖動器的電力要求。該拖動器具有著9.5至11.5 GHz的事業比率之內,給出29.5 dB增加收益、+27.5 dBm飽和狀態最大工作效率和23% PAE(+5V外接電源的電壓)。嗓聲指數為6 dB,而轉換IP3為+33 dBm。隔直RF I/O配備至50 Ω,食用有利。HMC608LC4不必線焊,也可以食用表貼制造工藝技術工藝。
|
品牌
|
型號
|
描述
|
貨期
|
庫存
|
|
ADI
|
HMC608LC4,HMC608LC4TR,HMC608LC4TR-R5
|
中等功率放大器,采用SMT封裝,9.5 - 11.5 GHz
|
現貨
|
237
|
HMC608LC4應用
HMC608LC4優勢和特點
-
輸出IP3:+33 dBm
-
飽和功率:+27.5 dBm (23% PAE)
-
增益:29.5 dB
-
電源:+5V(310 mA時)
-
50 Ω匹配輸入/輸出
-
符合RoHS標準的4x4 mm SMT封裝
HMC608LC4結構圖
