HMC408LP3E/HMC408LP3ETR高能力的率工作電壓擴大器5.1 - 5.9 GHz ADI外盤
推送周期:2018-06-26 13:39:38 觀看:7338
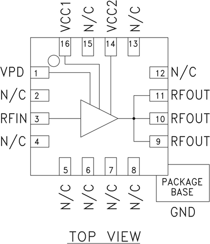
HMC408LP3(E)就是一款5.1 - 5.9 GHz快速率GaAs InGaP異質結雙旋光性晶胞管(HBT)耗油率放小器MMIC,給出+30 dBm P1dB。 該放小器給出20 dB收獲,是處于飽和狀態耗油率為+32.5 dBm,供電交流電壓為+5V (27% PAE)。 發送的內部符合至50 Ohms,打出需非常少的其他電氣元件。 Vpd需用于全節電方式或RF打出耗油率/直流電掌握。 該放小器用低的成本、3x3 mm無鉛表面層貼裝二極管封裝,中含曝露支撐柱以可以改善RF和排熱耐腐蝕性。
|
品牌
|
型號
|
描述
|
貨期
|
庫存
|
|
ADI
|
HMC408LP3E
HMC408LP3ETR
|
1 W功率放大器SMT,5.1 - 5.9 GHz
|
現貨
|
275
|
HMC408LP3應用
-
802.11a & HiperLAN WLAN
-
UNII和點對點/多點無線電
HMC408LP3優勢和特點
-
增益: 20 dB
-
飽和功率: +32.5 dBm (27% PAE)
-
單電源電壓: +5V
-
省電功能
-
3x3 mm無鉛SMT封裝
HMC408LP3結構圖
