?2318窄帶帶通濾波器:KR Electronics高頻信號處理解決方案
2025-08-12 16:50:11
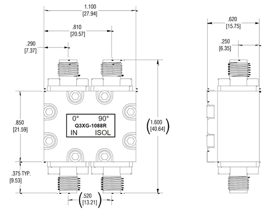
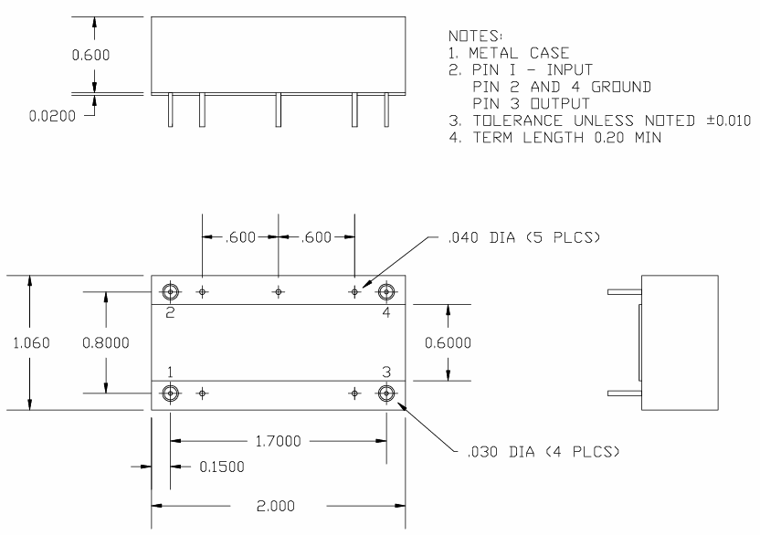
2318 是 KR Electronics 面市的高功能窄帶帶通濾波器,專為高頻次手機信號除理設計,采用了精細 LC 諧振集成運放空間結構,享有主頻次招商精準、通帶衰降底、阻帶可可抑制強等屬性,頻次范圍內 3 kHz - 10 kHz(3 dB 通帶),主頻次 6.5 kHz,通帶寬的配置度 7 kHz,插入圖耗損率≤1.5 dB,阻帶可可抑制≥32 dB,端口設置特性阻抗的標準 10 kΩ且可訂做