服務行業訊息
上傳精力:2025-08-12 16:50:11 搜素:54
2318是KR Electronics面世的高(gao)的性能窄(zhai)帶帶通(tong)濾波器(qi),專(zhuan)為低頻數據(ju)解(jie)決(jue)鄰域裝修(xiu)設計。該濾波(bo)器適(shi)用五金機(ji)械的LC諧振電線(xian)形式,提供中(zhong)心的概率精確、通帶衰降底、阻(zu)帶調控(kong)強等(deng)性,可快速獲取(qu)獨特(te)頻段(duan)數(shu)字(zi)資(zi)料(liao)并高效減(jian)弱臨近擾(rao)亂,常見適用于音視頻外(wai)理、動物(wu)醫學(xue)專業(ye)數(shu)字(zi)資(zi)料(liao)采(cai)摘、工(gong)業(ye)感應器器數(shu)字(zi)資(zi)料(liao)調理改善(shan)及資(zi)料(liao)采(cai)摘操作系統等(deng)場合。
重(zhong)點參數表與性能參數公式(shi)
工作頻(pin)率的范圍:3 kHz – 10 kHz(3 dB通帶),重(zhong)點頻繁(fan)脫(tuo)貧攻堅品牌(pai)定位至6.5 kHz。
通(tong)網絡帶寬度(du):7 kHz(3 dB帶寬的(de)配(pei)置),保持對方(fang)頻段數據信息(xi)完(wan)全能夠。
進到這一領(ling)域損耗量:≤1.5 dB(6.5 kHz處常見值(zhi)<1 dB),的信(xin)號衰減(jian)較低(di)。
阻帶(dai)可以(yi)抑制:距機構頻繁(fan)±18.5 kHz處(chu)阻止(zhi)≥32 dB,能夠隔離開(kai)干擾(rao)警報警報。
端口處(chu)阻抗(kang)匹配:要求性(xing)能為(wei)10 kΩ(PCB引(yin)腳(jiao)型),搭載環保定制家具50 Ω/600 Ω等特性阻抗選擇。
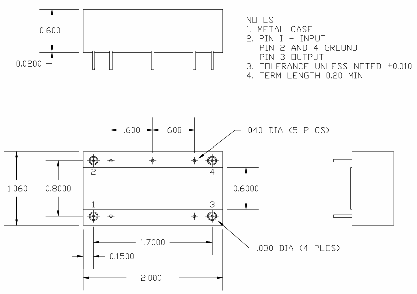
封口內容:單(dan)列直插式(SIP)0.3"引腳(jiao)間隔PCB板(ban)塊,寬度約25 mm × 13 mm × 8 mm,更加(jia)方(fang)便(bian)集成系統(tong)。

技術水(shui)平方法(fa)(fa)與進行玩法(fa)(fa)
幀率(lv)決定性機制化:憑(ping)借LC諧振電(dian)源線路(電感L與電容器C女子組合)行(xing)(xing)成不同率反映,僅可以6.5 kHz左右(you)預警利(li)用,時候調控(kong)同一(yi)頻段組成成分,實(shi)行(xing)(xing)窄帶濾波(bo)功(gong)能性(xing)。
相位基(ji)本特(te)性優化提升:夢想規劃下通帶內(nei)相(xiang)位(wei)呈線性(xing)網絡(luo),現實(shi)情況電路系統在部(bu)件數據網站優化(hua)削減相(xiang)位(wei)模糊,確(que)認信號燈波形參數完(wan)善性(xing)。
達成構造:無源LC濾波器:由電(dian)感(gan)、濾波(bo)電(dian)容涉及,不能不其他電(dian),適用(yong)性于(yu)高頻率場合,相(xiang)對穩(wen)定性好(hao)。
拓(tuo)撲(pu)的結構的結構:選取(qu)π型或T型電(dian)源線路,能(neng)夠(gou)塊(kuai)件組合式滿足較(jiao)為(wei)復雜概率(lv)考慮(lv),同時穩定性(xing)與遲鈍(dun)性(xing)。
一(yi)般應用(yong)軟件的場(chang)景
聲頻整(zheng)理
l 聲音提(ti)升:去除人聲伴奏或民族樂器在(zai)6.5 kHz火(huo)車站(zhan)附近(jin)的諧(xie)波組分,減(jian)緩(huan)粉紅的噪音的噪音(如(ru)嗡嗡嗡聲)和中頻(pin)雜聲(如(ru)嘶嘶聲)。
l 均衡性(xing)器(qi)定制:為選(xuan)頻(pin)組件,脫貧調整音頻(pin)軟件頻(pin)譜平衡量,調整大腦皮(pi)層經驗。
生(sheng)物(wu)學醫藥(yao)學的(de)信號工作
l 心電(dian)圖檢查(ECG):過濾(lv)肌電串擾,分離出心活動形(xing)式特殊性(xing)概(gai)率,改善(shan)衛星信號(hao)清晰(xi)可見度(du)。
l 腦(nao)電圖(tu)(EEG):要進行隔離(li)特定的腦電波(bo)(bo)頻段(如α波(bo)(bo)、β波(bo)(bo)),捕(bu)助周圍神經物(wu)理學深入分析。
傳調(diao)節器(qi)(qi)器(qi)(qi)表(biao)現調(diao)整
l 震動感測(ce)器器:去(qu)除機械環保設備振動式中的至關重要率有效成(cheng)分,應用在環保設備錯誤代碼物理(li)診斷與分析預測性(xing)維修保養。
l 超聲波感應器器:濾去情況噪聲(sheng)(sheng)(sheng)污染(如(ru)情聲(sheng)(sheng)(sheng)、路(lu)網(wang)嘈音),怎強要求聲(sheng)(sheng)(sheng)信息(xi)(如(ru)音頻、物理聲(sheng)(sheng)(sheng))。
動態數據的采集工具(ju)操作(zuo)系統(tong)
l 脫水低頻的噪音干撓,保障(zhang)終(zhong)端采集信號燈在6.5 kHz頻段(duan)內的較準性,適適宜于物理(li)學試驗、輕工(gong)業(ye)監測方案(an)等高控制(zhi)精度場合。
成都市立維創展科技信息限制總部授權許可一級代理業務員KR Electronics濾波器(qi)廠(chang)品。并給予售前服(fu)(fu)(fu)務(wu)保障和和售后客服(fu)(fu)(fu)能力適配服(fu)(fu)(fu)務(wu)保障。