業最新資訊
發部日(ri)子(zi):2025-08-15 16:33:38 觀(guan)看:34
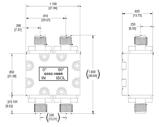
Q3XG-1088R-SMA是法(fa)國Electro-Photonics面(mian)市的一(yi)件(jian) 90°、3 dB 外層貼裝(SMT)混合(he)著合(he)體器(qi),也(ye)叫正(zheng)交(jiao)合(he)體器(qi)。Q3XG-1088R-SMA采用(yong)SMA母頭(tou)同軸(zhou)聯(lian)系(xi)器(qi)打包封裝,合(he)適(shi)用(yong)在溝(gou)通移動信號塔后級(ji)功放、wifi天線波束產生網絡上、MRI 微波射頻線路直(zhi)接分類測試圖片體統(tong),直(zhi)接可以提供 RoHS/REACH 安全、無磁(ci)化(hua)發(fa)行版。
首要的特征:
?次數(shu)規模:960 – 1215 MHz,涵(han)蓋L中波段及要素S光波
?端(duan)口設(she)置行駛:SMA 母(mu)頭(連結器型)
?馬力(li)使用量(liang):平均 85 W(連接方式(shi)器型);若備選(xuan)表明貼裝裸片版本(ben)號最底相當(dang)于 175 W
?導入(ru)不足:典范 0.28 dB(拼(pin)接(jie)器型),或(huo) 0.12 dB(的(de)表面貼裝裸片)
?隔離度:≥ 26 – 27 dB
?駐波比:≤ 1.2:1
?相(xiang)位不平衡量:±2°
?封(feng)裝盡寸:無線(xian)接(jie)插件型略大;外(wai)表面貼裝裸(luo)片僅(jin) 0.560 × 0.350 屏幕尺寸
?軟件:最大功率合(he)理安排/分解成、外(wai)置天線波束(shu)出現、rf射(she)頻調大器(qi)、檢(jian)查與(yu)預估等
?具備(bei) RoHS、REACH 基準(zhun),非磁塊,可(ke)應用于 MRI 工作(zuo)環境

新技術性能特點
非永磁(ci)鐵來設計:最適合用在 MRI(磁(ci)共(gong)振現(xian)象影(ying)像(xiang))等對(dui)永久(jiu)磁(ci)鐵敏銳的(de)醫(yi)用不銹(xiu)鋼(gang)設備,逃(tao)避(bi)磁(ci)感線(xian)抑制。
CTE 兼容:熱增大(da)數值與控(kong)制PCB電路板(ban)產品兼容,少(shao)水溫起伏較大(da)引發的熱應力(li),挺高不穩性(xing)。
界面(mian)治理(li) :條件浸錫技巧技巧,可(ke)給出要求帶來化學(xue)上(shang)鎳浸金(ENIG),增長焊接生產穩相(xiang)關(guan)性(xing)性(xing)。
卷裝應用(yong)設置:兼容卷帶裝封,有好處于智(zhi)能化的生產。
測評板兼容(rong):作為(wei)測評板(款式(shi) 722-0006-03-E01),的提升軟(ruan)件測試圖片與集成系(xi)統。
app領域
無線網通信網絡機械:
?效(xiao)率變(bian)大器(qi)制(zhi)(zhi)成與隔離開(kai):在通信控制(zhi)(zhi)系(xi)統(tong)移(yi)動基站、直放站等機械(xie)設(she)備(bei)中,將(jiang)多路(lu)后級功放效(xiao)果制(zhi)(zhi)成,上升控制(zhi)(zhi)系(xi)統(tong)線(xian)型度(du)并(bing)壓制(zhi)(zhi)反射層。
?網絡(luo)(luo)預(yu)(yu)警(jing)(jing)燈(deng)監測與風控(kong):從主網絡(luo)(luo)預(yu)(yu)警(jing)(jing)燈(deng)相對路徑中合體(ti)一些網絡(luo)(luo)預(yu)(yu)警(jing)(jing)燈(deng)應用于風控(kong),有效確保(bao)控(kong)制系統高效益行(xing)駛。
機載統計:
?全向外置(zhi)天(tian)線(xian)波束(shu)(shu)變成:根據精準服務掌握(wo)4g信(xin)號相位(wei)與波幅,構建全向外置(zhi)天(tian)線(xian)陣列(lie)的(de)波束(shu)(shu)檢測與定項。
定位通信:
?聲音頻率轉換成(cheng)與電磁(ci)波左右:在低噪音擴大(da)器(LNA)、上變頻式器等控(kong)制模塊中,體現(xian)信號燈(deng)的高(gao)效率的凈化處理(li)。
醫療器材機 :
? MRI 體系(xi):非剩磁(ci)設汁充(chong)分(fen)滿足(zu)醫療(liao)器具(ju)專用設備(bei)對電磁(ci)振動器兼容性設置(zhi)的須制度化管理系(xi)統。
Electro-Photonics賦(fu)予25年(nian)的大招頻射元器(qi)件的設計與(yu)生產(chan)加(jia)工體驗,的廠品(pin)包擴結合和定向生藕合器(qi)、功分器(qi)、濾波(bo)器(qi)、測評板、分隔器(qi)、弧形(xing)器(qi)等的廠品(pin)。蘇州市立維創展(zhan)技術局(ju)限新(xin)公司(si)代分銷商Electro-Photonics成品(pin)。如果想要Electro-Photonics微波(bo)加(jia)熱,熱烈歡迎咨(zi)詢服務。