?CMD236C4寬帶MMIC SP6T(單刀六擲)射頻開關Qorvo原裝現貨
2025-06-06 16:32:01
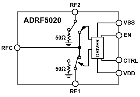
CMD236C4是Qorvo我司開售的寬帶網MMIC SP6T(單刀六擲)rf微波射頻電源開關,使用4x4毫米(mm)無引線表皮貼裝封口類型,所覆蓋DC至18GHz頻段,在10GHz時包括低至2.5dB的添加耗損率和達42dB的分隔度,符合60ns切回速率、16dBm的1dB壓解點,使用工業陶瓷QFN封口類型并集合改革創新板載二進制解碼數據器以簡化版來設計制作,還收獲科學規范共電和低直流變壓器電流大小總量的特點,其緊湊型封口類型、非反射面式來設計制作及SEO優化MMIC技巧比較非常適合范圍限制的高頻率體系化,可使用于軍用裝備汽車雷達和網絡戰體系化、通迅衛星通迅機器、軟件測試預估檢測設備及5G移動信號塔rf微波射頻web前端等層面。