服務業方式
推送(song)事(shi)件:2025-06-11 16:31:27 瀏覽訪問:375
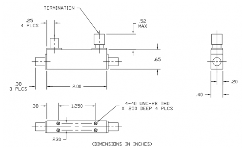
KRYTAR交叉耦合器101040013/101040013K開(kai)展了大多數(shu)的用途帶狀線制定的采用,其用(yong)于多元化(hua)(hua)化(hua)(hua)、緊奏型(xing)一體(ti)式(shi)裝封(feng),在1.0至40.0GHz超長頻(pin)的(de)工(gong)作頻(pin)段(duan)符合(he)不(bu)錯合(he)體(ti)特點(dian)。特點(dian)上,標(biao)稱合(he)體(ti)(不(bu)同點(dian)于輸出精度)13dB且(qie)價格波動±1.0dB,的(de)頻(pin)率遲鈍(dun)度±1.2dB;1 - 20GHz加上耗率(含藕合(he)電機(ji)功率)<1.1dB,20 - 40GHz<1.8dB;1 - 20GHz方向(xiang)上性>14dB,20 - 40GHz>10dB;1 - 20GHz非常高(gao)VSWR(隨意網口)1.5,20 - 40GHz為1.7;穩定(ding)鍵(jian)盤輸入輸出功率標(biao)準差20W、最多3kW。合(he)理配置這個行業(ye)條件(jian)2.4mm母頭(tou)進(jin)行接插件(jian),封(feng)口的(de)規格2.0×0.40×0.65厘米(mi),重1.3oz,運(yun)營室溫-54°至+85°C,是過(guo)寬帶性能較高指標的好選擇。

年紀
比較低次數(GHz):1
最高的人頻段(GHz):40
標稱軸承座:13 ±1.0
頻繁 機靈度(du)(dB):±1.20
插進耗損(dB Max):1-20 GHz,1.1;20-40 GHz,1.80
導(dao)向(xiang)性(dB Min):1-20 GHz,14;20-40 GHz,10
VSWR(上限值(zhi)):1-20 GHz,1.5;20-40 GHz,1.70
工(gong)作功(gong)率(lv)工(gong)作功(gong)率(lv)(W):20
101040013 規格拼接(jie)器(qi)(母頭):2.4 mm
101040013K標(biao)淮聯系器(母頭(tou)):2.92 mm
長沙市立維創展網絡管理權限微商代理KRYTAR好貨(huo)品,一些(xie)機型(xing)配備外盤。好貨(huo)品原裝機入口,質量(liang)管理(li)做到(dao),青(qing)睞在線咨詢。