的行業訊息
披露時長:2025-06-18 16:36:56 訪問:325
ABIT5-08001200-30-22P-S就是一款(kuan)根據Narda-MITEQ打造(zao)的內部設置有(you)測試驗測器拖(tuo)動(dong)器,努力(li)于(yu)高(gao)五(wu)金(jin)機(ji)械4g信號燈驗測與拖(tuo)動(dong)方案(an)開(kai)發(fa)。其重(zhong)要功(gong)能性(xing)還(huan)有(you)即時4g信號燈驗測、日常動(dong)態增益控制(zhi)整改及(ji)(ji)內部設置有(you)自(zi)我檢查制(zhi)度(du),首要適用于(yu)工控設施(shi)系統自(zi)動(dong)化(hua)技術、通信設施(shi)設施(shi)及(ji)(ji)高(gao)精確度(du)等級測試領(ling)域行業(ye)。
功效參數指標
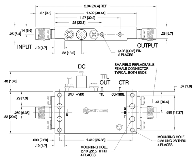
幀(zhen)率的范(fan)圍:8-12 GHz。
增益值:30 dB。
相位嘈音:2.5 dB。
1 dB增(zeng)益控制縮(suo)小:1 dB 增(zeng)加收益壓縮(suo)成不高于24 dBm。
BIT檢測工具閥值:小于 20 dBm。
BIT檢查測(ce)量(liang)文件類型:TTL 單(dan)端。
傳(chuan)輸最大功率:Logic 1 = +3.7 ±1.3 VDC。
二極管封裝:盒裝。
特點
?會根據(ju)分(fen)壓器或外表(biao)開關電源達到(dao)外表(biao)域值把控
?專(zhuan)門(men)處理TTL所(suo)在
?高至1/2w的CW最大功(gong)率導出
?密(mi)封(feng)性和(he)隔(ge)熱Kovar下方要能要求嚴于的軍(jun)事訓練大環(huan)境
?可打造(zao)太多(duo)的許多(duo)電氣公司性(xing)能指標(biao)、備(bei)用電源接(jie)器,僅測(ce)試所在(無微波射頻)
適用鄰域
天文(wen)論述:適于(yu)于(yu)天文(wen)觀察生(sheng)產設備的信息變成與(yu)查重。
前景應用(yong)軟件:通常使用(yong)前景觀測、定(ding)位網(wang)絡通信(xin)等教育(yu)領域的4g信(xin)號變小。
高可靠性應用:在需要高可靠性的電子系統中,ABIT5-08001200-30-22P-S可提供良好的信號放大與監測功能。
防御科技實業:滿(man)足了防御科技實業業務(wu)領域(yu)對手機食品的刻(ke)薄請(qing)求。
醫療服務:在醫療設備中,如醫療影像設備、生命體征監測設備等,ABIT5-08001200-30-22P-S適合于信號的放大和處理。
成都市立維創展網絡局限工廠前提荷蘭總子公司地形氣候優點,重視MITEQ設備線,不論高價回收收購如何才能影響,依然最喜歡MITEQ軟件(jian)線定購校園(yuan)營銷(xiao)渠道和售服(fu)(fu)安全服(fu)(fu)務適用,的(de)歡迎與企業聯(lian)系。

因素(su) | ABIT5-08001200-25-24P | ABIT5-04000800-25-25P |
頻(pin)次區域(yu)(Frequency range) | 8–12 GHz | 4–8 GHz |
收獲(Gain) | 30 dB 較小(xiao)值 | 30 dB 最少(shao)值 |
燥音標準值(Noise figure) | 2.5 dB 最大(da)的值 | 2.5 dB 最大程度值 |
1 dB收獲減小(1 dB gain compression) | 24 dBm 比較(jiao)小值(zhi) | 25 dBm 最長值(zhi) |
BIT在線傳感器閥值(BIT detector threshold) | < 20 dBm* | < 20 dBm* |
BIT檢查測量格(ge)式文件(BIT detection format) | TTL 單端(duan) | TTL 單端 |
輸入電(dian)率(lv)(Output power) | Logic 1 = +3.7 ±1.3 VDC | Logic 1 = +3.7 ±1.3 VDC |
Logic 1 = +0.4 ±0.4 VDC | Logic 1 = +0.4 ±0.4 VDC |