0300BB/0301BB/0010BB/0017CC/0700BB/0303LB巴倫變壓器 North Hills
2018-11-06 09:25:41
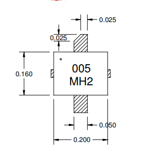
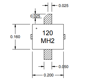
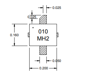
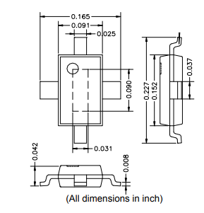
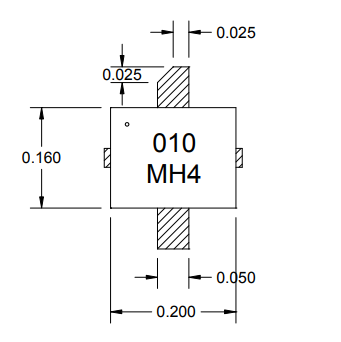
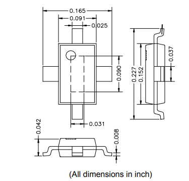
North Hills的0300BB/0301BB/0010BB/0017CC/0700BB/0303LB巴倫變電器,尋常的用途1千赫茲- 125兆赫,由不動不平衡點量性繞阻和中間抽頭動不平衡點量性繞阻組成的的動不平衡點量性環,雙線引入電功率,兩大放向匹配好。北山巴倫斯緊密建設工程低嵌入和回波耗費。優勢的動不平衡點量性是使用確定性等勢面的架構來變現的。