AM07512041WN-SN-R/AM07512041WN-00-R功率放大器芯片 代理現貨
2019-02-20 14:36:54
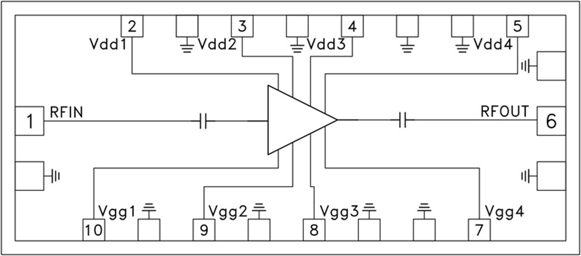
AMCOM公司的AM07512041WN-SN-R/AM07512041WN-00-R集成塊是款寬帶網氮化鎵MMIC公率放小器。它在8.25至11.75GHz頻段極具28dB的增加收益和42dBm的轉換公率。AM7512041WN-SN-R主要包括陶瓷制品裝封,含有蝶閥法蘭和直rf射頻和直流電壓引線,廣泛用于導入式制做。它的增加收益為27db,轉換公率為41dbm,在8.25至11.75GHz頻段。