HMC-AUH256通信網絡衛星通信網絡4個等級驅動下載調小器 ADI期貨
發表時間段:2019-02-20 15:38:45 瀏覽網頁:1815
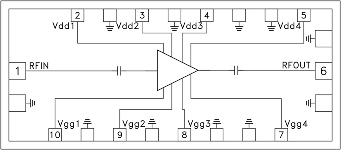
HMC-AUH256一款GaAs MMIC HEMT英語四級能夠變大器,事情頻次空間17.5至41 GHz。 是因為大小較小(1.93 mm2),該處理器可輕輕松松結合到多處理器摸塊(MCM)中。 HMC-AUH256在1 dB解壓縮點給出21 dB的增加收益和+20 dBm的輸送熱效率,運用+5V的偏置主機電源(295 mA)。 HMC-AUH256還可作作倍頻器。 達成倍頻器事情的詳實偏置情況。
|
品牌
|
型號
|
貨期
|
庫存
|
|
ADI
|
HMC-AUH256
|
1周
|
100
|
若是您要有夠買HMC-AUH256,請點左邊微信客服關聯小編!!!
用途
優勢和特點
-
增益: 21 dB
-
P1dB輸出功率: +20 dBm
-
寬帶性能:
17.5至41 GHz
-
電源電壓:
+5V (295 mA)
-
小尺寸芯片:
2.1 x 0.92 x 0.1 mm
示意圖
