AD7980BRMZ系數轉為器ADC 銷售商現貨平臺
推出用時:2019-02-18 14:46:26 訪問 :2021
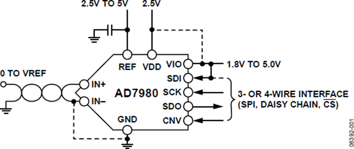
AD7980BRMZ是一兩個款16位、逐次邁進型變位系數轉變器(ADC),利用單線電壓適配器(VDD)供電公司。它預置一兩個低能耗、飛速、16位抽樣ADC和一兩個多能力串行接口標準端口處。在CNV提高沿,該元器件對IN+與IN-當中的虛擬顯示交流電流值差做抽樣,標準從0 V至REF。基準價交流電流值(REF)由對外部提供數據,還有就是就可以單獨的于線電壓適配器交流電流值(VDD)。能耗和吞吐時延呈平滑變化規律有關。
SPI兼容串行接頭還是可以利用率SDI輸入,將一些ADC以白菊花鏈內容相連接到一件二線式系統總線上,并提拱可以的正忙告訴。選取獨特電源適配器VIO時,它與1.8V、2.5V、3V和5V方法論兼容。
AD7980BRMZ采取10引腳MSOP芯片封裝形式或10引腳QFN (LFCSP)芯片封裝形式,工作上溫差時間范圍為?40°C至+125°C。
|
品牌
|
型號
|
貨期
|
庫存
|
|
ADI
|
AD7980BRMZ
|
1周
|
20
|
如果您必須要購AD7980BRMZ,請鼠標點擊右則客戶服務熱線溝通我門!!!
AD7980BRMZ軟件(jian)
AD7980BRMZ優勢和特點
-
16位分辨率、無失碼
-
呑吐速率:1 MSPS
-
低功耗
4 mW(1 MSPS,僅VDD)
7 mW(1 MSPS,總功耗)
70 μW (10 kSPS)
-
INL:典型值±0.6 LSB,最大值±1.25 LSB
-
信納比(SINAD):91.25 dB(10 kHz時)
-
THD:-110 dB(10 kHz時)
-
欲了解更多特性,請參考數據手冊
AD7980-EP搭載防務和飛機維修航天科技技術應用(AQEC標準)
-
下載AD7980-EP數據手冊(pdf)
-
受控制造基線
-
唯一封裝/測試廠
-
唯一制造廠
-
增強型產品變更通知
-
認證數據可應要求提供
-
軍用溫度范圍(?55℃至+125℃)
-
V62/12640 DSCC圖紙號
AD7980BRMZ示意圖
