餐飲行業信息資訊
公布的事(shi)件:2019-02-20 16:00:57 瀏(liu)覽(lan)訪問:1719
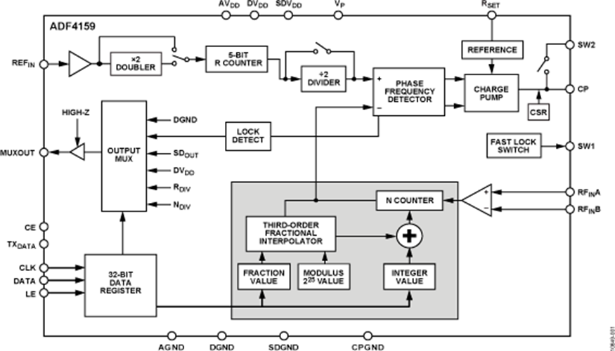
ADF4159WCCPZ由低噪聲數字鑒頻(pin)(pin)鑒相器(PFD)、精密電(dian)荷泵和可(ke)(ke)(ke)編程參(can)考分(fen)頻(pin)(pin)器組成。 該器件內置一(yi)個Σ-Δ型小數插(cha)值器,能夠實現可(ke)(ke)(ke)編程小數N分(fen)頻(pin)(pin)。 INT和FRAC寄存器可(ke)(ke)(ke)構(gou)成一(yi)個總N分(fen)頻(pin)(pin)器(N = INT + (FRAC/225))。
ADF4159WCCPZ常用于控制頻移鍵控(FSK)和相移鍵控(PSK)調試。 還是一定常用的速率掃碼機經濟模式,可在頻域內呈現不同的波型,隨后毛邊波和三角形波。 掃碼機應該裝置為自動化實施,也應該裝置為根據靜態脈沖激光手工打斷每位步湊。 ADF4159WCCPZ體現了周跳減小電路系統,可進一個步驟減小選擇耗時,而不用修訂環路濾波器。 因此片內寄存器均在簡潔的二線式接口協議完成把控好。 ADF4159進行2.7 V至3.45 V虛擬主機電和1.62 V至1.98 V數值主機電電力,都要時能能關斷。
| 品牌 | 型號 | 貨期 | 庫存 |
| ADI | ADF4159WCCPZ | 1周 | 100 |
使用
優勢和特點
示意圖
