HMC847LC5高4:1多路復接器 ADI現貨平臺
上線時候:2019-02-20 16:15:19 瀏(liu)覽器:1768
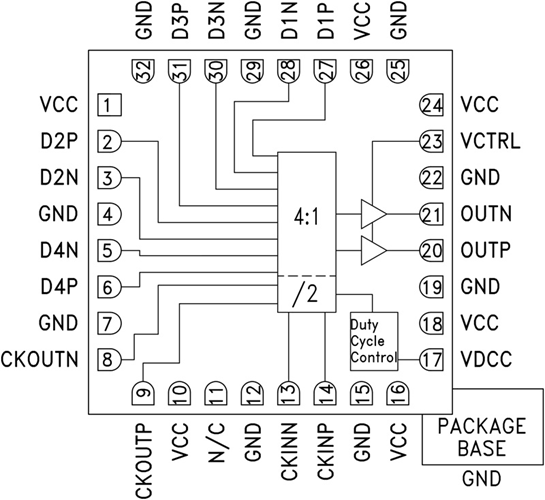
HMC847LC5就是款4:1多路復接器,來設計采用45 Gbps統計資料分析信息串行app。 多路復接器在搜索秒表的變換點鎖存二個差分搜索。 該器材應用半傳送速度秒表的持續增長沿和回落沿來串行統計資料分析傳輸統計資料分析信息。 片內提取1/4傳送速度秒表傷害,與HMC847LC5的統計資料分析信息傷害同步操作。
HMC847LC5的整個鬧鐘和的數據庫設置/傷害均所使用CML并使用片內50 Ω端接至VCC,可所使用直流變壓器或互動交流相互耦合。 HMC847LC5的設置和傷害可所使用差分或單端顯卡配置事業。 HMC847LC5還融合一傷害電平掌握引腳VCTRL,用于于損耗率補償費或網絡信號電平優化方案。 VDCC引腳掌握的數據庫傷害相互點與占空比。 HMC847LC5所使用+3.3V單交流電源共電,作為符合要求ROHS基準的5x5 mm SMT打包封裝。
|
品牌
|
型號
|
貨期
|
庫存
|
|
ADI
|
HMC847LC5
|
1周
|
120
|
若是您都要定購HMC847LC5,請點選右測售后關系我們都!!!
HMC847LC5應用軟件
-
SONET OC-768
-
RF ATE應用
-
寬帶測試和測量
-
串行數據傳輸高達36 Gbps
-
高速DAC接口
HMC847LC5優勢和特點
-
支持高達36 Gbps的數據速率
-
半速率時鐘輸入
-
?速率參考時鐘輸出
-
快速上升和下降時間: 11/12 ps
-
可編程差分輸出電壓擺幅: 250 - 900 mVp-p
-
單電源: +3.3V
-
32引腳5x5mm SMT封裝: 25mm2
HMC847LC5示意圖
