中文字幕
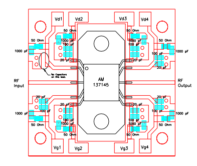
AM13714530WM-SM-R Ku波段寬帶功率放大器
頻率:13.75-14.5GHz增(zeng)加收益(yi):30P1dB(DBM):30PSAT(DBM):31的效率:15VD(V):8
頻率:13.75-14.5GHz
增(zeng)加收益(yi):30
P1dB(DBM):30
PSAT(DBM):31
的效率:15
VD(V):8
AM050WN-CU-R L/S/C波段寬帶功率放大器
頻率:DC-6GHz增加收益:16.5P1dB(DBM):41.7PSAT(DBM):43VD(V):28
頻率:DC-6GHz
增加收益:16.5
P1dB(DBM):41.7
PSAT(DBM):43
VD(V):28
AM100WN-CU-R L/S/C波段寬帶功率放大器
頻率:DC-6GHz增(zeng)益值:14P1dB(DBM):44.5PSAT(DBM):46VD(V):2
增(zeng)益值:14
P1dB(DBM):44.5
PSAT(DBM):46
VD(V):2
AM025WN-BI-R L/S/C波段寬帶功率放大器
頻率:DC-8GHz增加收益:16P1dB(DBM):38.9PSAT(DBM):40VD(V):28
頻率:DC-8GHz
增加收益:16
P1dB(DBM):38.9
PSAT(DBM):40
AM012WN-BI-R L/S/C/X波段寬帶功率放大器
頻率:DC-10GHz增益值:17P1dB(DBM):36.1PSAT(DBM):37VD(V):28
頻率:DC-10GHz
增益值:17
P1dB(DBM):36.1
PSAT(DBM):37
AM005WN-BI-R ? L/S/C/X波段寬帶功率放大器
頻段:DC-12GHz收(shou)獲:15P1dB(DBM):32PSAT(DBM):33.5VD(V):28
頻段:DC-12GHz
收(shou)獲:15
P1dB(DBM):32
PSAT(DBM):33.5
AM025WN-00-R L/S/C/X/Ku波段寬帶功率放大器
頻率:DC-15GHz收獲:21P1dB(DBM):38.9PSAT(DBM):40.5VD(V):28
頻率:DC-15GHz
收獲:21
PSAT(DBM):40.5
AM012WN-00-R L/S/C/X/Ku波段寬帶功率放大器
頻率:DC-15GHz增益控制(zhi):22P1dB(DBM):36.1PSAT(DBM):37.7VD(V):28
增益控制(zhi):22
PSAT(DBM):37.7
AM005WN-00-R L/S/C/X/Ku波段寬帶功率放大器
頻率:DC-18GHz收獲:23P1dB(DBM):32PSAT(DBM):33.4VD(V):28
頻率:DC-18GHz
收獲:23
PSAT(DBM):33.4
AM006MX-QG-R L/S/C波段寬帶功率放大器
頻率:DC-6GHz增加收益:13P1dB(DBM):22PSAT(DBM):34VD(V):5
增加收益:13
P1dB(DBM):22
PSAT(DBM):34
VD(V):5
AM012MX-QG-R L/S/C波段寬帶功率放大器
頻率:DC-6GHz增益控制:13.5P1dB(DBM):25PSAT(DBM):37VD(V):5
增益控制:13.5
P1dB(DBM):25
AM024MX-QG-R L/S/C波段寬帶功率放大器
頻率:DC-6GHz增加收益:13P1dB(DBM):28PSAT(DBM):39VD(V):5
P1dB(DBM):28
PSAT(DBM):39
AM036MX-QG-R L/S/C波段寬帶功率放大器
頻率:DC-6GHz增益值:12P1dB(DBM):29.5PSAT(DBM):42VD(V):5
增益值:12
P1dB(DBM):29.5
PSAT(DBM):42
AM048MX-QG-R L/S/C波段寬帶功率放大器
頻率:DC-6GHz收獲:11P1dB(DBM):31PSAT(DBM):43VD(V):5
收獲:11
P1dB(DBM):31
AM072MX-CU-R L/S/C波段寬帶功率放大器
頻率:DC-6GHz增益控(kong)制:11P1dB(DBM):34PSAT(DBM):46VD(V):7
增益控(kong)制:11
P1dB(DBM):34
VD(V):7
AM100MX-CU-R L/S/C波段寬帶功率放大器
頻率:DC-6GHz增益(yi)控制(zhi):10P1dB(DBM):35PSAT(DBM):48VD(V):7
增益(yi)控制(zhi):10
P1dB(DBM):35
PSAT(DBM):48
AM150MX-CU-R L/S/C波段寬帶功率放大器
頻率:DC-6GHz增益控制:10P1dB(DBM):36.5PSAT(DBM):50VD(V):7
增益控制:10
P1dB(DBM):36.5
PSAT(DBM):50
AM200MX-CU-R L/S/C波段寬帶功率放大器
頻率:DC-6GHz增益控(kong)制:10P1dB(DBM):38PSAT(DBM):48VD(V):7
增益控(kong)制:10
P1dB(DBM):38
AM300MX-CU-R L/S/C波段寬帶功率放大器
頻率:DC-6GHz增加收益:9P1dB(DBM):39.5PSAT(DBM):51VD(V):7
增加收益:9
P1dB(DBM):39.5
PSAT(DBM):51
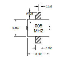
AM005MH2-BI-R L/S/C波段寬帶功率放大器
頻率:DC-6GHz收獲(huo):15P1dB(DBM):25PSAT(DBM):40VD(V):14
收獲(huo):15
VD(V):14
AM010MH2-BI-R L/S/C波段寬帶功率放大器
頻率:DC-6GHz增(zeng)加收益:15P1dB(DBM):28PSAT(DBM):43VD(V):14
增(zeng)加收益:15
AM010MH4-BI-R L/S波段寬帶功率放大器
頻率:DC-3GHz增(zeng)益值:19P1dB(DBM):31PSAT(DBM):46VD(V):28
頻率:DC-3GHz
增(zeng)益值:19
AM030MH4-BI-R L/S波段寬帶功率放大器
頻率:DC-3GH增益控制(zhi):19P1dB(DBM):36PSAT(DBM):49VD(V):28
頻率:DC-3GH
增益控制(zhi):19
P1dB(DBM):36
PSAT(DBM):49
AM032MH4-BI-R L/S/C波段寬帶功率放大器
頻率:DC-6GHz增益值(zhi):19P1dB(DBM):36PSAT(DBM):49VD(V):28
增益值(zhi):19
AM010WX-BI-R L/S/C波段寬帶功率放大器
頻率:DC-6GHz增益值:16P1dB(DBM):28.5PSAT(DBM):30VD(V):8
增益值:16
P1dB(DBM):28.5
PSAT(DBM):30
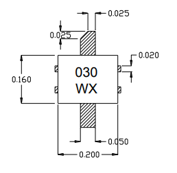
AM030WX-BI-R L/S/C/X波段寬帶功率放大器
頻率:DC-10GHz增益值(zhi):14P1dB(DBM):33PSAT(DBM):34VD(V):8
增益值(zhi):14
P1dB(DBM):33
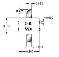
AM060WX-BI-R L/S/C/X波段寬帶功率放大器
頻率:DC-10GHz收(shou)獲:13.5P1dB(DBM):35.5PSAT(DBM):36.5VD(V):8
收(shou)獲:13.5
P1dB(DBM):35.5
PSAT(DBM):36.5
AM005WH2-BI-R L/S/C/X波段寬帶功率放大器
頻率:DC-12GHz增加收益:20P1dB(DBM):26PSAT(DBM):27VD(V):14
頻率:DC-12GHz
增加收益:20
P1dB(DBM):26
PSAT(DBM):27
AM020WH2-BI-R L/S/C/X波段寬帶功率放大器
頻率:DC-12GHz增益值(zhi):18P1dB(DBM):33PSAT(DBM):34VD(V):14
增益值(zhi):18
AM030WH4-BI-R L/S/C波段寬帶功率放大器
頻率:DC-6GHz增(zeng)加收益:21P1dB(DBM):37PSAT(DBM):37VD(V):2
增(zeng)加收益:21
P1dB(DBM):37
共3頁80條數據