RFLI090M21M29超寬帶同軸隔離器RF-LAMBDA
2024-06-21 08:46:13
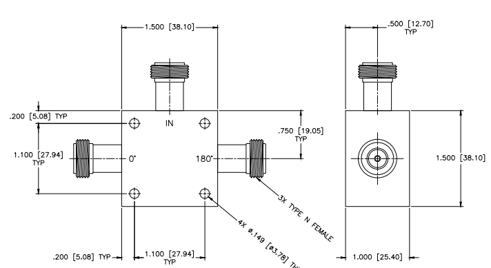
RFLI090M21M29是RF-LAMBDA的一件超大帶同軸隔絕器,事情的速率為214MHz至286MHz,兼有0.6dB主要嵌入衰減、19dB較小隔絕度、1.3:1 VSWR和50W聯續波正在向輸出功率。它可以N型或SMA型聯系器,電位差為50Ω,事情的體溫範圍為-40°C至+85°C。該隔絕器符合于無線網絡理論知識措施、中國軍事、航空運輸航天工程、測試分析儀器、預警雷達系統性、5G通信網絡等領域,兼有好的的抗振和沖擊力特性,可在達到30,0008英尺的海撥高下事情的。