產業知識
頒布時期:2024-06-28 08:59:54 手機瀏覽(lan):6082

PULSAR倍頻器FX-04-410是一款高(gao)性能的(de)電子設備,專為需要精確頻率轉換的(de)應用而設計。以(yi)下是該產品的(de)詳細介紹:
廠產品品牌稱: Pulsar倍頻器FX-04-410頻率范圍:
放入頻繁 : 75-1500 MHz 轉換平率: 150-3000 MHz 發送電機功率標稱值: +10.0 dBm轉換損耗:
在F2速率下: 12.0 dB最大化 在F4幾率下: 20.0 dB典型性雜散信號抑制:
F1: 20 dBc F3: 20 dBc 打包封裝種類: SMA連接器類型:
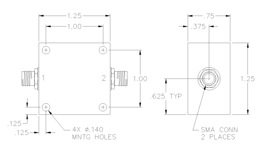
的標準配置單: SMA female 能選調試: BNC, TNC, F, 和 N connectors 投入/導出端口號: 輸入端口號: 1 輸出網口: 2 保護的接地方法: 機殼保護的接地 外觀簡約時尚尺寸: 1.25" x 1.25" x 0.75"
雜散信號抑制性能表明,該設備能夠有效抑制不需要的頻率成分,確保輸出信號的純凈度。SMA連接器是標準配置,但也提供其他類型的連接器選項,以適應不同的應用需求。杭州市立維創展信息技術管理權限代出售PULSAR微波射頻企業產品,并出具售后維修服(fu)(fu)務管理(li)適配服(fu)(fu)務管理(li),歡(huan)迎語質詢。