MECA IS-15.200射頻隔離器12.4-18.0GHz
2024-10-09 08:54:17
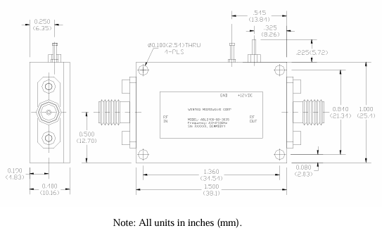
MECA IS-15.200頻射要進行隔絕器是一個款專為頻射預警傳輸數據設計制作的雙接口無源配件,選用人造磁鐵和鐵氧體物料加工,通常用在以防止預警折射和抑制,保養許多頻射元器件封裝。其結構特征有SMA母頭接觸器、12.4-18.0 GHz的的頻繁範圍、大插入表格不足0.4 dB、要進行隔絕度18 dB、均業務電功率2W、基線業務電功率50W、VSWR大值1.30:1,不符合RoHS標準規定和IP67防護衣等級分類,選用不銹鋼材質的物料并根據鈍化整理,業務體溫範圍為-10°C至+60°C,適合在有所不同的頻繁範圍內的頻射應用領域情景,給出正常的要進行隔絕目的。