制造行業動態新聞
推出(chu)期限:2024-10-09 09:08:34 閱讀(du):5522

Electro-Photonics的EPD-2A1-SF是(shi)一(yi)款(kuan)高性(xing)能的2路0°功率分(fen)配(pei)器,具(ju)有(you)以下特點:
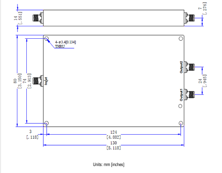
1. 狹窄方案:全自動封裝形式,適用于面積限制的軟件。 2. 頻繁 標準:重疊100至500MHz,比較合適移動寬帶應該用。 3. 功效卓越: 同相最大功率裂開,確認無線信號高度性。 低讀取自然損耗(較大0.6 dB),確定數據信號性能。 高分隔度(應為20 dB),才能減少檢修通道間擾亂。 積極的波動靜態平衡點(±0.2 dB)和相位靜態平衡點(±3°)。 4. 高工作電壓正確處理本事: 順向最大功率:50W。 單向輸出:10W。 5. 標準接口分類:SMA(F),萬能且穩定可靠。 6. 熱度領域: 工做熱度:-35°C至+75°C。 非辦公溫度因素:-55°C至+100°C。 7. 看:灰黑色車漆漆面,更具技術看。應用領域:
自動化戰 預警雷達系統性 測式和測試生產設備 EPD-2A1-SF因而匠心的穩定性和寬敞的尺寸大小,非常的最合適要有高穩定性4g信號重新分配的聯通寬帶軟件應用。尺寸:

ELECTRO-PHOTONICS存在25年(nian)的壓(ya)制rf射頻(pin)部(bu)件開發與打造生產經(jing)驗(yan),產品歸屬于融合和定向(xiang)培養交(jiao)叉(cha)耦合器(qi)、功(gong)分器(qi)、濾(lv)波器(qi)、自測板(ban)、丟開器(qi)、橢圓形器(qi)等(deng)產品。
東莞市立(li)維創展科學技術有效工(gong)司代理權分銷(xiao)商城Electro-Photonics軟件。如果(guo)須得Electro-Photonics微波通信,歡迎圖片點擊量左(zuo)側qq客服保持聯系.我!!!