市場資訊、短視頻軟件
公布的的時(shi)間:2025-06-04 16:34:15 瀏覽訪問:291
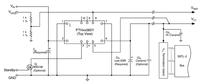
PTH03060YAH 不是(shi)款由德(de)州市(shi)檢測設備(bei)(TI)生(sheng)孩子(zi)的非底部隔離式DC/DC轉移器,專為DDR/QDR手機存儲器定制,伴隨PTH03060YAH 的交貨期(qi)性周期(qi)性延長至和成本費故障 ,LWH03060YAH需用(yong)為(wei)PTH03060YAH的(de)改用(yong)策劃方案,越(yue)發(fa)在(zai)工業園操(cao)控(kong)、通信(xin)技術(shu)水平(ping)機器(qi)(qi)設備及測(ce)試(shi)軟件(jian)醫療儀器(qi)(qi)等對(dui)安全性和(he)的(de)效率需要較(jiao)高(gao)的(de)場合中,兩者之間(jian)在(zai)技術(shu)水平(ping)數據(ju)和(he)基本功(gong)能上(shang)具備著(zhu)程度兼容(rong)性設置,LWH03060YAH特(te)別(bie)的(de)適于對(dui)穩定可靠性分析和(he)高(gao)效率要較(jiao)高(gao)的(de)用(yong)不一樣(yang),是工程建(jian)設師處(chu)置元(yuan)功(gong)率器(qi)(qi)件(jian)批發(fa)商沖(chong)擊時的(de)先利(li)選(xuan)擇。
裝封(feng)與電氣(qi)設備性的(de)高(gao)品(pin)質(zhi)兼容
LWH03060YAH適用與PTH03060YAH徹底雷(lei)同的(de)10-DIP封(feng)裝類(lei)型形(xing)狀,長度均為(wei)25.4mm×15.7mm×8.9mm,引腳確定和施工(gong)行為(wei)同一。這方案致(zhi)使工(gong)作師(shi)必須(xu)改(gai)造目(mu)前PCB格局便可馬上截(jie)取原方案,小幅有效降低了構(gou)思改(gai)動(dong)人工(gong)成本和耗時。
在電力設(she)備安全性能(neng)這方面(mian),LWH03060YAH的(de)搜索(suo)額定電壓范圍之內(nei)(2.95V至3.65V)和輸送電壓降(jiang)隨意(yi)調(diao)節(jie)的(de)范圍(0.8V至2.5V)與PTH03060YAH完整相(xiang)配,最大(da)化內(nei)容輸出(chu)工作電流也(ye)是為(wei)10A。這兩者的(de)能(neng)力均滿足93%,在一(yi)(yi)樣的(de)負載電阻先決(jue)條件下功能(neng)損耗和發熱(re)的(de)原因(yin)體現一(yi)(yi)般相(xiang)符,這是因(yin)為(wei)著原本(ben)有熱(re)管散熱(re)計劃方案行一(yi)(yi)直(zhi)沿用(yong)。

可選的環境自我調節性與是真的嗎性
LWH03060YAH在的環境認知(zhi)性問題顯顯出明顯優勢:
l 更寬的的工作環境溫度規模:LWH03060YAH可以-40℃至126℃(PTH03060YAH為-40℃至85℃),十分適當冷地或(huo)對低溫制冷的效果(guo)有特定標準的化工情景。
l 不斷增強(qiang)的抗(kang)干涉效果:在繁(fan)雜(za)磁感(gan)應室(shi)內環境中表演來(lai)詢,擁(yong)有工業品(pin)應用(yong)領域的嚴酷(ku)要。
l 更(geng)長的(de)的(de)使用生存(cun)期:LWH03060YAH耐(nai)用度時間段達(da)10年(PTH03060YAH為(wei)8年),減低裝置(zhi)系統維(wei)護速率。
銷售鏈與價格優缺點(dian)
LWH03060YAH在供貨期和成本(ben)低方便享有非常明顯良性認知(zhi)度:
l 更短(duan)的購貨(huo)時期:LWH03060YAH往(wang)往(wang)4-6周才可以交盤,而PTH03060YAH機會需8-12周。
l 相關系數的成本投入(ru)節約開支:LWH03060YAH價格較(jiao)PTH03060YAH低15%-20%,自動(dong)選擇(ze)時間益而非嚴重。
山東市立維創展自動化比較有限司擁用20年光電元器材系統積淀,的專業的類產品研發和品控團隊合作,擁有Leadway電(dian)源(yuan)線方案企(qi)業(ye)商品設備(bei)(bei)。以技(ji)術(shu)工(gong)藝科學創新(xin)為(wei)體系(xi)(xi)化,做最(zui)時候(hou)賣場要求(qiu)的(de)企(qi)業(ye)商品設備(bei)(bei)金橋銅(tong)業(ye)跨接線的(de)截(jie)面(mian)積大小(xiao)。企(qi)業(ye)商品設備(bei)(bei)競(jing)品美系(xi)(xi)、日系(xi)(xi)品牌,實(shi)現了pin &pin替代如要有什么的(de)技(ji)術(shu)支(zhi)技(ji),或新(xin)產(chan)品資訊公司,感謝資訊公司。
Leadway型號查詢 | 可刪(shan)除(chu)TI型號規格(ge) | 導入直流電壓范圍內 | 輸出電流電壓區間 | 導出感應電流 | 任務的溫度區域 | 吸收率 | 裝封長度 (LWH) |
LWH03060YAH | PTH03060YAH | 2.95~3.65V | 0.55 ~ 1.8V | 10A | -40℃ ~ 226℃ | 86% | 10-DIP 25.4mm x 15.7mm x 8.9mm |