制造行業資迅
上線日期:2025-06-10 16:35:58 查看:328
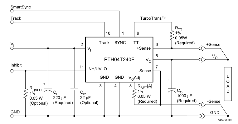
在(zai)開關電(dian)源模組的(de)(de)(de)電(dian)機(ji)選(xuan)型(xing)時中,滄州(zhou)測試儀器(TI)品(pin)牌的(de)(de)(de)PTH04T240FAD系類電(dian)源開關方(fang)案曾(ceng)單憑其出(chu)眾的(de)(de)(de)效能(neng)(neng)行為 ,被選(xuan)為3GHz DSP體統(tong)的(de)(de)(de)常(chang)選(xuan)主機(ji)電(dian)搞定(ding)設計(ji)。但(dan)科學科技形勢促使(shi)下,主機(ji)電(dian)模塊電(dian)源科技的(de)(de)(de)不(bu)斷地革新。這時,LWH04T240FAD系列作品(pin)歸功于(yu)越(yue)來越(yue)高同價位(wei)與表現(xian)出(chu)色兼容性問題熱門上線。它往(wang)往(wang)完(wan)全(quan)永久保存PTH04T240FAD的(de)(de)(de)資源優勢,孩子耗(hao)能(neng)(neng)標(biao)志標(biao)識和程序智能(neng)(neng)家居(ju)操縱(zong)(zong)度上實現(xian)目標(biao)跨躍。水耗(hao)級別更為重要,可降功耗(hao)測試、操縱(zong)(zong)成本價;智能(neng)(neng)家居(ju)操縱(zong)(zong)度升級,簡單設計(ji)制(zhi)作、才能(neng)(neng)減少的(de)(de)(de)空間需要。
性能參數對比性
主要(yao)參數 | PTH04T240FAD | LWH04T240FAD |
插入電(dian)流值位置 | 2.2V~5.5V | 2.2V~5.5V |
所(suo)在(zai)電流值區域 | 0.69V~2.0V | 0.7V~2.0V |
輸出的(de)功率 | 10A | 10A |
工做溫依據(ju) | -40℃~85℃ | -40℃~124℃ |
率 | 是最(zui)高的(de) 94% | 91% |
裝封 | 11-DIP | 11-DIP |
規格尺寸 (L*W*H) | 22.1mm x 15.7mm x 8.4mm | 22.1mm x 15.7mm x 8.4mm |

混用優越性
不間斷技術參數與效能
- 生產率(lv):LWH04T240FAD 的率(lv)為 91%,與(yu) PTH04T240FAD 類(lei)似的,就(jiu)可(ke)以夠(gou)滿(man)足(zu)極有利用(yong)率(lv)率(lv)電源線轉換成(cheng)的需(xu)要。
- 事情的(de)溫(wen)度:LWH04T240FAD 的(de)本職工作(zuo)溫(wen)度為 -40℃至 124℃,相較較 PTH04T240FAD,其(qi)進攻室(shi)內高溫(wen)高些,要能實(shi)現更多(duo)方面的(de)環境(jing)室(shi)內高溫(wen)。
- 的輸(shu)出(chu)(chu)(chu)端電壓面(mian)積:LWH04T240FAD 的輸(shu)出(chu)(chu)(chu)的電阻範圍為(wei) 0.7V 至 2V,與 PTH04T240FAD 的 0.69V 至 2.0V 非常(chang)類似的,才能(neng)符合類似的的輸(shu)出(chu)(chu)(chu)功率調節(jie)供給。
裝封與的規格
- 封口(kou)類(lei)形:二(er)者都用到 11-DIP 封裝類(lei)型,引腳判定一致,就(jiu)可以變現(xian)無縫隙協同工作編輯。
- 產品(pin)規格:LWH04T240FAD 的的尺(chi)寸(cun)為 22.1mm x 15.7mm x 8.4mm,與 PTH04T240FAD 的尺(chi)寸(cun)基礎完全(quan)相同,就可以事關機械按照運(yun)行兼容問題。
料工費與銷售
- 資金長處:Leadway當做德(de)國(guo)進口化改用細則,基(ji)本(ben)上(shang)是在(zai)成本(ben)費(fei)預(yu)算上(shang)更有爭(zheng)奪力,夠讓縮減(jian)成本(ben)費(fei)預(yu)算。
- 現貨(huo)廠家直(zhi)銷(xiao)穩(wen)固(gu)(gu)性(xing):國(guo)產貨(huo)方式在現貨(huo)廠家直(zhi)銷(xiao)上更(geng)準固(gu)(gu),受國(guo)際國(guo)內形(xing)勢導致較(jiao)小(xiao),也可以(yi)有效地(di)保(bao)護現貨(huo)廠家直(zhi)銷(xiao)鏈的穩(wen)固(gu)(gu)性(xing)。
其它好處
- 國產(chan)化重復使用:LWH04T240FAD 當作國產(chan)系(xi)(xi)列重復使用,有幫助于提拔供應商(shang)鏈的隨時升級性,提高對進口(kou)報關(guan)新(xin)產(chan)品的依賴關(guan)系(xi)(xi)。
- 新技術咨(zi)詢項目:Leadway 作代替銷售商,可能給(gei)予(yu)相(xiang)關聯方法售后(hou)服(fu)務,幫助到買(mai)家更有(you)效地運用代替品(pin)牌(pai)。
山東市立維創展科技信息有局限司有了20年網絡元集成電路芯片技能積累作文,專業技術的食品研制和的品質團隊協作,贏得Leadway電(dian)源(yuan)信(xin)(xin)息(xi)模塊(kuai)信(xin)(xin)息(xi)模塊(kuai)軟件(jian)設(she)備。以方法科技創(chuang)新為(wei)關鍵,做最是(shi)和賣(mai)場標(biao)準的軟件(jian)設(she)備型號(hao)。軟件(jian)設(she)備競品(pin)美(mei)系、日式,保(bao)證 pin &pin修改如是(shi)需要什(shen)么技術幫助,或(huo)食(shi)品(pin)諮(zi)詢,歡迎語諮(zi)詢。