互聯網行業新聞
推(tui)送周期:2025-08-08 16:46:22 閱(yue)讀:44
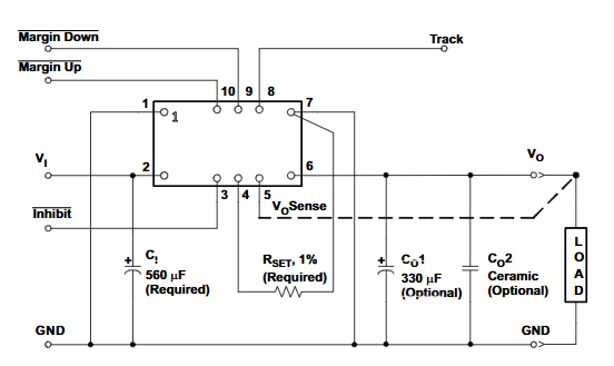
在(zai)實業(ye)電設(she)計構思德(de)國進口化(hua)用(yong)作提速(su)的(de)大(da)市(shi)場(chang)趨勢下,境內各(ge)個企(qi)業(ye)一直提高自己(ji)技巧、提高自己(ji)機械性能(neng)以考(kao)慮舒(shu)適標準。Leadway 用(yong)融(rong)洽技巧積少(shao)成多與更快運行(xing)學習能(neng)力,發行(xing) LWH12060LAH 供電方案,為 PTH12060LAH 提供數據高耐熱(re)性、高可信(xin)度性的(de)原(yuan)位更換(huan)方案設(she)計。
一、性能精(jing)淮自適(shi)應,刪除樂(le)行無憂
搜(sou)索輸出精度(du)電(dian)流(liu)值(zhi)電(dian)流(liu)值(zhi)篩選:LWH12060LAH 與 PTH12060LAH 輸入相電(dian)壓(ya)面積均為 10.8V 至 13.2V,內容(rong)輸出電(dian)流電(dian)壓(ya)范圍內同屬 0.8V 至 1.8V,都可以(yi) 10A 間隔工作電(dian)流輸出精度。這致使替換成后暫時(shi)無法變更原系(xi)統(tong)用(yong)電(dian)設定(ding),能充(chong)分滿足 FPGA、ASIC 等低的電(dian)壓(ya)高瞬(shun)時(shi)電(dian)流裝載需要(yao)量(liang),且不容(rong)易(yi)電(dian)機負載影向軟件系(xi)統(tong)保持(chi)穩(wen)定(ding)。
二極(ji)管封裝面積兼(jian)容:任何事物按照相當(dang)的表面上貼裝(SMD)二(er)極管封裝,圖片尺寸全(quan)都 25.4mm × 15.7mm × 8.9mm,重(zhong)要(yao)性引腳(jiao)工作(發送、內(nei)容輸出等)也一致性,可進行重(zhong)命名原(yuan) PCB 功(gong)能(neng)分區,不用再設(she)計(ji)方(fang)案電源線路板,建立直縫(feng)接(jie)入。
二、功能模塊屬性相符,相對穩定啟動
抑(yi)制模式,一致:均運(yun)用交流(liu)電(dian)(dian)壓方式(Voltage-Mode)的控(kong)制,能達成固定(ding)的電(dian)(dian)流(liu)電(dian)(dian)壓降可以調節與動態性(xing)崩潰,的保障制造業電(dian)(dian)源模(mo)塊電(dian)(dian)流(liu)電(dian)(dian)壓降固定(ding)。
特(te)點(dian)工作連續:LWH12060LAH 文化(hua)了(le) PTH12060LAH 的遠程電腦關(guan)斷能(neng)力,可(ke)經過外接信(xin)息調控停(ting)止,以(yi)及控制系(xi)統輸出功(gong)率服務管理;還(huan)都(dou)支技 Auto-Track? 編排,能(neng)創新多(duo)電源(yuan)適(shi)配器組件導入開始(shi)和電阻值(zhi)追蹤定(ding)位,不(bu)要額定(ding)負載破損(sun)。

三、認證證書可以(yi)信賴,茶葉品質有基本保障
的安全申(shen)請認證不合格:LWH12060LAH 進(jin)行 UL/CSA v認(ren)證,與 PTH12060LAH 注(zhu)冊原(yuan)則共同,充分考慮化工(gong)業和金融(rong)業操(cao)作健(jian)康標準(zhun)要(yao)求。
功效指標英文很:試驗 LWH12060LAH 裝(zhuang)換生(sheng)產率在 87.5%-88.2%,紋波電流值 ≤7mV,與原包塊機械性(xing)能等同于(yu),切實保障方式后軟件一級能效和信號(hao)燈安全性(xing)能不在損害。
四(si)、生(sheng)產成本與供貨鏈優質突出
定價更低:LWH12060LAH 產品報價(jia)比 TI 新產品低(di)約 30%,能差異性減小 BOM 資金,升(sheng)級(ji)類產品市(shi)場的寡頭壟斷力。
交期快點:借助(zhu)于日本產(chan)(chan)銷售鏈,LWH12060LAH 支撐 2 - 4 周最快支付,禁止(zhi)因香港國(guo)際物流(liu)公司網(wang)或產(chan)(chan)能(neng)跌漲引起制造(zao)商暫停,確保(bao)制造(zao)連續式性。選國(guo)內組件也包含制造(zao)商鏈可靠(kao)方法,減小對某(mou)一制造(zao)商商信任。
五、真正(zheng)軟件應用驗(yan)正(zheng)牢靠
在 12V 手機輸入、1.8V/10A 打(da)印輸出主要工程(cheng)環境下,LWH12060LAH 轉型(xing)學習效(xiao)率穩定的在 87.5%-88.2%,滿意原設(she)計的概念目標。且已寬泛運(yun)用于筆記本(ben)顯卡、精(jing)準web服務、使用類智能cpu等場(chang)地,準確性和穩界定高性贏(ying)得充分的確認。
廣州市立維創展科枝有限責任我司持有20年電子的技術元器件的技術積聚,專注的類門店終端團體和品級團體,擁有Leadway電(dian)源適配器模塊(kuai)圖(tu)片貨品。以高技術全新為(wei)核心內容,做(zuo)最比較(jiao)合適市場的(de)的(de)需求的(de)貨品商品規(gui)格(ge)。貨品競品美(mei)系、歐美(mei)風(feng)格(ge),達到pin &pin替換(huan)成如(ru)是需要任意技術水平(ping)能夠,或設備資(zi)訊(xun)(xun),青睞資(zi)訊(xun)(xun)。