相關行業新聞新聞
推(tui)送期限(xian):2025-08-04 16:36:33 打開網頁:87

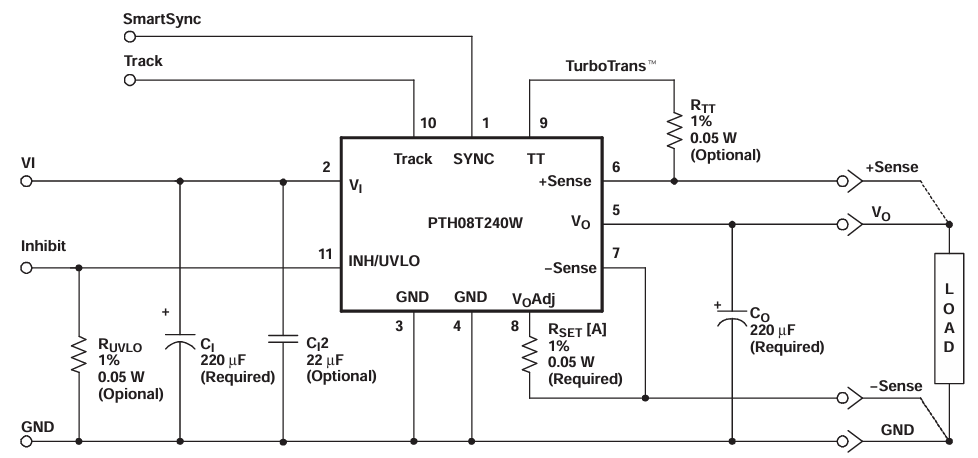
在中國(guo)批售鏈深(shen)層次修整與(yu)知名化(hua)現象(xiang)1的當下,國(guo)產a電壓(ya)電源模塊正(zheng)即將迎(ying)來戰(zhan)略決策級開(kai)發(fa)(fa)機(ji)(ji)遇。做為(wei)TI經(jing)典傳奇主要參數PTH08T241WAD的國(guo)內(nei)(nei)化(hua)版本升(sheng)級設計方案(an),Leadway開(kai)售的LWH08T241WAD按照全(quan)隨時升(sheng)級磁(ci)路(lu)構思推動(dong)96%閥值錯誤率,并在-40℃至125℃寬溫(wen)域內(nei)(nei)長(chang)期(qi)長(chang)期(qi)保持穩定(ding)性高輸(shu)出(chu)的,其當地化(hua)產線(xian)與(yu)便(bian)捷相應服務項(xiang)目制(zhi)度,為(wei)工業(ye)機(ji)(ji)械設備(bei)制(zhi)造(zao)廠(chang)商出(chu)示(shi)了兼備(bei)技術應用品質(zhi)可靠性與(yu)批發(fa)(fa)商鏈安全(quan)系數高性的優享(xiang)方式。
主要參數比對
的(de)關鍵叁數 | LWH08T241WAD(產(chan)的重(zhong)復使(shi)用) | PTH08T241WAD(TI正(zheng)品) |
設(she)置的電壓(ya)標(biao)準 | 4.5 V – 14 V | 4.5 V – 14 V |
輸入輸出額定(ding)電壓範圍 | 0.69 V – 5.5 V(可以調(diao)節(jie)) | 0.69 V – 5.5 V(可以調節(jie)) |
額定容量(liang)所在(zai)電壓 | 10 A | 10 A |
二極管封裝(zhuang)/引腳 | 11-Pin DIP(通孔(kong)) | 11-Pin DIP(通孔(kong)) |
長寬高(L×W×H) | 22.1 mm × 15.7 mm × 8.6 mm | 22.1 mm × 15.7 mm × 8.6 mm |
工作的溫暖規(gui)模 | –40 °C ~ 98 °C | –40 °C ~ 85 °C |
熱效(xiao)率 | 主要表現(xian) 95 % | 明顯 96 % |
系統特點 | 的支持 TurboTrans 等效更(geng)快瞬態加載 | 原裝 TurboTrans 技巧 |
兼容/取代(dai)的方(fang)式 | PIN-TO-PIN 原位混用 | — |
優勢可言(yan)闡(chan)述(shu)
耐低溫安全性能:LWH08T241WAD的(de)操作溫(wen)暖條件突出至-40℃至125℃,位(wei)置相關(guan)資(zi)料以至于(yu)顯視其可(ke)經受多達176℃的(de)溫(wen)度,較之PTH08T241WAD的(de)-40℃至85℃,兼有更強的(de)還耐(nai)常溫(wen)度的(de)能力。一種(zhong)基(ji)本特征使其專(zhuan)門適用性于(yu)極為工作環境(jing)(jing)或常溫(wen)度工業環境(jing)(jing),如野外通信(xin)網絡移動信(xin)號塔、二手車微電子等。
總成本(ben)優點:是(shi) 國內開關電源功(gong)能(neng),LWH08T241WAD的(de)(de)定價一般是(shi)壓(ya)低國外進口軟(ruan)件,可(ke)的(de)(de)幫助中小企業(ye)拉(la)低10%~30%的(de)(de)采(cai)買成本(ben)低,更(geng)好(hao)不斷提升(sheng)凈(jing)收入個人空(kong)間。
制造鏈經濟性(xing)分(fen)析性(xing):LWH08T241WAD的(de)交期(qi)期(qi)更短,一般 只需(xu)1~2周(zhou),有用制止(zhi)了缺貨風險(xian)存在,服務保(bao)障(zhang)了生(sheng)產銷售(shou)的(de)累計性。這對于(yu)那些想要飛速積(ji)極響應銷售(shou)市場(chang)波動的(de)公司企業(ye)來(lai)著實(shi)為重要。
國廠化(hua)使用價值:LWH08T241WAD復合中(zhong)國國內“信創(chuang)”國家政策市場導向,特備采用在政府機構(gou)、軍工中(zhong)小企業(ye)等對生(sheng)產(chan)(chan)商鏈綜合性控(kong)制要嚴格執(zhi)行的行業(ye)領(ling)域,電(dian)子助力中(zhong)小企業(ye)實行國產(chan)(chan)品牌化(hua)用作,優化(hua)生(sheng)產(chan)(chan)商鏈安全管理性。
使(shi)用畫面
l 制造業管理業務領域:適用來于(yu)PLC、變頻器(qi)、臺達伺(si)服(fu)電機驅動包(bao)器(qi)等都要高可信性24v電源的場合,確定(ding)儀(yi)器(qi)安全穩定(ding)進行。
l 無線(xian)通信裝置(zhi)前沿技術:可用做(zuo)于5G基站(zhan)天線、光傳(chuan)感器、交互機等對熱度順應(ying)性符合要求高的系統(tong),擁有冗雜場景下的電源(yuan)開關具體需求。
l 機(ji)動車智能區域:適用來于(yu)車載(zai)一體(ti)機手機充電機、電池菅理系統化(hua)(BMS)等耐溫度(du)高(gao)畫面,優(you)化(hua)汽年智能機的可信度(du)性(xing)和(he)安全級別性(xing)。
成都市立維創展信息技術不多廠家開發20年智能電子元零件封裝技術沉淀,專業課程的類產品新產品設計開發和高品質銷售團隊,造成Leadway電源適配(pei)器功能模塊企業(ye)設(she)(she)備(bei)。以能(neng)力多元化為(wei)基本(ben)點,做最可以的需求(qiu)量的企業(ye)設(she)(she)備(bei)規模。企業(ye)設(she)(she)備(bei)趕超美系、日韓風,達(da)到pin &pin更換如(ru)需求(qiu)不管什么技術水平可以支(zhi)持,或產品(pin)的在線詢問(wen),歡迎(ying)會在線詢問(wen)。