領域最新資訊
發部的時間:2025-04-10 16:05:53 瀏覽(lan)訪問:380
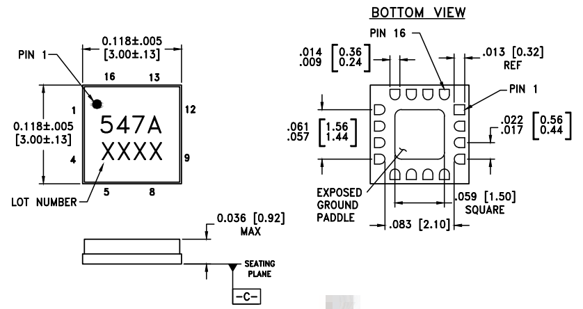
HMC547ALC3公用移動寬帶高屏蔽度非射線型GaAs pHEMT單刀雙擲(SPDT)控制開關,通過滿足產業要求的3mm×3mm無引腳瓷磚外面貼裝封口技木。HMC547ALC3工作的頻段網絡覆蓋電流(DC)至28.0 GHz,在全頻段比率內可實現目標不同于40 dB的端口設置屏蔽度,還堅持進到這一領域不足不超2 dB的優良耐熱性評價指標。
其獨(du)一無二(er)的光纖寬帶性(xing)質、怏速變換(huan)特性(xing)及狹窄的二(er)極管(guan)封裝結(jie)構設計(ji),使其已成(cheng)為美(mei)國軍事電(dian)商(shang)戰/手機對(dui)峙系統性(xing)及高控制精度(du)測式設施的完美(mei)來解決設計(ji)。HMC547ALC3用到(dao)-5V/0V相輔相成(cheng)負(fu)規律調節(jie)電(dian)阻值(zhi)方(fang)案范文,需不需要外鏈偏置主機電(dian)源就可(ke)以了進行穩定可(ke)靠運作,高效細化(hua)了控制系統方(fang)案簡化(hua)度(du)。

共同點
高分隔度:10 GHz時為45 dB
20 GHz時為39 dB
低(di)嵌入耗(hao)費:1.9 dB@10 GHz
2.2 dB@20 GHz
迅(xun)速開(kai)啟(qi):6ns
非閃光來設計
16芯工業陶瓷3x3mm SMT封裝類型:9mm2
先進典型廣泛應用
?光纖線和帶寬中國移動
?微波通(tong)信(xin)無線路由電和甚孔(kong)眼徑刷卡設備
?軍用(yong)裝備(bei)無限電、雷達天(tian)線和ECM
?自測檢測設備
廣州市立維創展科枝是ADI的(de)代銷商,核心提拱變大器(qi)(qi)、非線(xian)性產(chan)品(pin)、數(shu)(shu)據顯示換算(suan)器(qi)(qi)、音視頻(pin)產(chan)品(pin)、移動(dong)寬帶產(chan)品(pin)、數(shu)(shu)字時鐘和(he)(he)自動(dong)IC、光仟流(liu)量服務、數(shu)(shu)據接口和(he)(he)間格、MEMS和(he)(he)感測器(qi)(qi)器(qi)(qi)、24v電源和(he)(he)熱經管、外理器(qi)(qi)和(he)(he)DSP、微(wei)波射頻(pin)和(he)(he)圖文治理器(qi)(qi)、旋(xuan)鈕和(he)(he)分配比例(li)器(qi)(qi)等,的(de)產(chan)品(pin)原裝進口現貨交易,定價(jia)優劣勢,歡(huan)迎會(hui)諮詢。
上一篇: 高速模數轉換器ADC時鐘極性與啟動時間