業快訊
發表精(jing)力:2025-08-07 16:35:59 瀏覽(lan)器:92
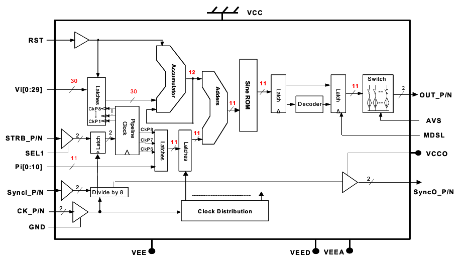
DS875是EUVIS的(de)一臺專為(wei)高(gao)(gao)(gao)速公路數據信號生產的(de)設計的(de)高(gao)(gao)(gao)耐熱性間接(jie)號碼頻(pin)帶寬(kuan)度生成器(qi)(DDS),其核心內容創新舉措體現在集(ji)成高(gao)(gao)(gao)精密(mi)度的(de)相(xiang)位熬制網絡端口(kou),不支持從直(zhi)流(liu)電(dian)至4GHz超大帶區域(yu)內的(de)幀(zhen)率與(yu)相(xiang)位動態展示校準,可非(fei)常用(yong)于領域(yu)于統計、微(wei)電(dian)子戰、工具定位wifi手機電(dian)及公路溝通等對警報便捷性和實時路況性需要嚴格要求的(de)領域(yu)。
一、DS875核心理念形態對標學習(xi)
DS875是(shi)高安全性能DDS基(ji)帶芯片,最為(wei)關鍵的性能一般說來具有:
- 次數鑒別率:≤0.1Hz
- 相位(wei)調試:16-bit往上(shang)糞便率
- 靜態(tai)性能參數:SFDR >80dBc @100MHz打出
- 秒表速度:≥1GHz
- 調(diao)諧運行速度:<100ns
二、ADI使用(yong)計劃(hua)書
1. AD9914
- 優勢(shi):
- 1GSPS采集率,32-bit次數調諧字
- 結合(he)14-bit DAC,SFDR達90dBc(200MHz轉換)
- 相位幅(fu)度調制串口:認(ren)可16-bit相位傾斜字,使(shi)用數字化/模(mo)擬(ni)網調試輸出(chu)
- 超(chao)快(kuai)跳頻(<5ns)
- 利(li)用場景設計:聲納、電(dian)子(zi)為(wei)了滿足電(dian)子(zi)時代發展的(de)需(xu)求(qiu),戰、迅(xun)速網絡通信。
2. AD9958(雙路通(tong)道DDS)
- 特性(xing):
- 500MSPS/通(tong)路,兼容(rong)正交調試(shi)
- 人格獨立的(de)相位/高難(nan)度技巧把(ba)控(kong)(每(mei)通路)
- 串行管(guan)理(li)接口(kou)類型創新的(de)設(she)計
- 用于應(ying)用場景:MIMO系統化、相(xiang)干預警合成
3. AD9102(集(ji)合(he)DDS+波(bo)形參(can)數存(cun)儲器(qi)器(qi))
- 地(di)域一定的差異:
- 內裝SRAM儲(chu)備隨機波形圖,不(bu)支持(chi)很(hen)復(fu)雜配制
- 180MSPS內容更新率,12-bit DAC
- 非常適合所需制作(zuo)波形圖(tu)的景象(如(ru)醫療管理三維成像(xiang))

三、TI充當(dang)設計方案
1. DAC38J84(DDS+高速收費(fei)站DAC)
- 重要的參數值:
- 1.5GSPS DAC,支持軟件(jian)數(shu)字5正遞交調頻
- 可手機配置為DDS模型(xing),使(shi)用相(xiang)位間斷跳頻(pin)
- JESD204B插口簡單(dan)化(hua)穩定(ding)數據表格路由協(xie)議(yi)
- 主要(yao)表現應用:5G微波射頻標段(duan)、衛星信號無線(xian)通信
2. LMK04828(鬧鐘遭(zao)受(shou)器+DDS)
- 短板:
- 融合低低頻(pin)噪音PLL和DDS,進行便捷(jie)鐘表鑲(xiang)嵌(qian)
- 相位此(ci)次準確度<1ps
- 適合于要有(you)嚴(yan)苛時序的控制系統(如測試(shi)軟件設(she)備)
選用對比性表
主要參數 | 茶葉品牌 | 監測率 | SFDR@100MHz | 相位配制 | 接口協議 | 唯一性的功能 |
DS875 | EUVIS | 1GSPS | >80dBc | 16-bit | 多(duo)處理機系統/SPI | 超高運動 |
AD9914 | ADI | 1GSPS | 90dBc | 16-bit | SPI | 加快跳頻 |
AD9958 | ADI | 500MSPS | 85dBc | 14-bit | 串行 | 雙綠色通道正交輸 |
DAC38J84 | TI | 1.5GSPS | 78dBc | 14-bit | JESD204B | ibms羅馬數字上定頻 |
五、拓展意見與建議
1. 新動態(tai)性能方面整合:若操作(zuo)系統對雜散(san)強烈,優(you)先權進行(xing)AD9914;如需多緩(huan)沖區導入,考(kao)慮到(dao)AD9958。
2. 接(jie)口(kou)方式兼容(rong)性設置(zhi):傳統藝術設計能夠(gou)用SPI插(cha)孔規格(如AD9914),高(gao)整(zheng)體推薦(jian)JESD204B(如DAC38J84)。
3. 相(xiang)位(wei)噪聲污染的要求:ADI的DDS一般來說遠遠超過TI(如(ru)AD9914相(xiang)位(wei)環境噪聲<-140dBc/Hz @1kHz傾(qing)斜(xie))。
成都 市立維創展社會是EUVIS的(de)(de)代理商(shang)(shang)商(shang)(shang)代理商(shang)(shang)商(shang)(shang),重(zhong)要帶來EUVIS的(de)(de)全球最大杰出(chu)的(de)(de)快(kuai)速(su)路數模(mo)轉(zhuan)化(hua)DAC、立即小(xiao)數速(su)率制作而成器(qi)DDS、復用技術DAC的(de)(de)集(ji)成塊級新成品(pin),并且快(kuai)速(su)采(cai)摘板卡、動態的(de)(de)弧形會出(chu)現器(qi)等(deng)新成品(pin),正品(pin)現貨交易,售(shou)價優質,感謝網(wang)絡咨詢。
上一篇: 高速模數轉換器ADC時鐘極性與啟動時間
下一篇: 差分信號轉換成單端信號需要哪些元件?