行業中新聞
發部時間間隔(ge):2025-08-01 16:40:20 查看:71
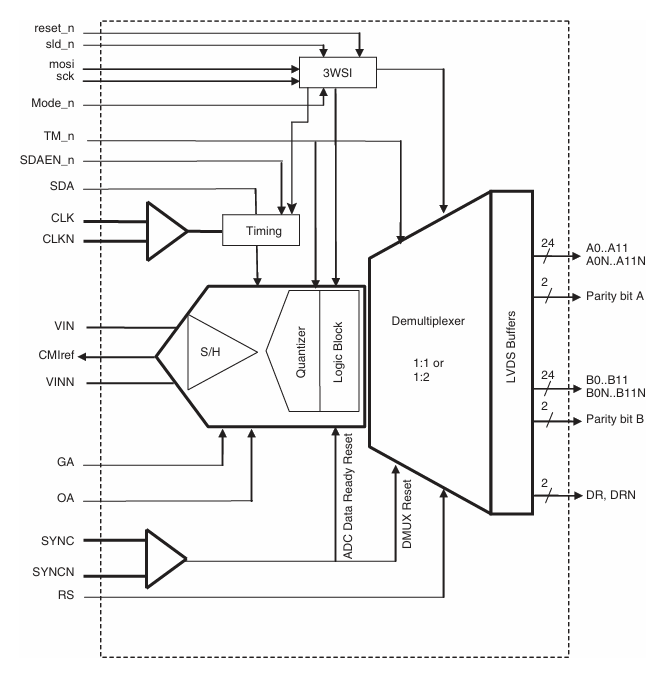
EV12AS200A的(de)(de)(de)“抽樣(yang)(yang)網絡延時(shi)(shi)細調”用(yong)途本質上上是在 ADC 監(jian)測秒表路線里(li)放入(ru)眼前這條(tiao)可和程序(xu)編寫(xie)、步進電機 24 fs 的(de)(de)(de)遲緩線(Delay Line)。經過亞(ya)皮秒級(ji)的(de)(de)(de)時(shi)(shi)間位(wei)(wei)(wei)移,把其(qi)他通(tong)暢或其(qi)他集成ic的(de)(de)(de)抽樣(yang)(yang)沿拉(la)到(dao)一(yi)模一(yi)樣(yang)(yang)個相位(wei)(wei)(wei)基準值(zhi),關鍵在于把原始由(you)掛鐘錯(cuo)位(wei)(wei)(wei)、PCB 接線差(cha)、元器(qi)件封(feng)裝內部人員孔經震動(dong)等產生(sheng)的(de)(de)(de)系(xi)統軟件相位(wei)(wei)(wei)差(cha)值(zhi)壓得(de)過低到(dao) 24 fs 數量級(ji)。
1. 相位數據誤差的源頭(tou)
? 數字時(shi)鐘分布不均歪掉:多片 ADC 或 FPGA 接收到端相互之(zhi)間的穿(chuan)線時(shi)長差、接連(lian)器(qi)公差、緩解器(qi)推(tui)遲距離。
? 孔直徑(jing)跳(tiao)動:ADC 內部(bu)人員(yuan)取(qu)樣觸點開關(guan)使用 一秒鐘的(de)時域震動。
? 熱漂移:氣溫發生變化因起硅廷遲、數據(ju)傳輸(shu)線表面電阻率(lv)發生變化,引起相位漂移。
2. 調整網絡延時(shi)線(xian)的設備構造
電源芯(xin)片的內部在抽樣秒表輸(shu)人(CLKP/CLKN)以后(hou)加(jia)上一道自然數(shu)設定的反相器鏈,每(mei)級超時 ≈ 24 fs,共 127 級 ≈ 3 ps 可調節為超范圍(wei)。憑借 7-bit 寄存器(Delay_Trim[6:0])讀取數(shu)據,可以讓取樣沿整體上晚到或延后(hou),步(bu)進(jin)驅動器就會(hui) 24 fs。

3. 相位精準度提高的數(shu)學3直接關系
? 這(zhe)對 1.5 GSPS、3.3 GHz 滿工作電壓資源帶寬(kuan),24 fs 相匹配的相位測量誤差 ≈ 2π × 3.3 GHz × 24 fs ≈ 0.5°。
? 在相(xiang)控(kong)(kong)陣、波(bo)束(shu)達成(cheng)或 I/Q 解調系統(tong)性中,管道間(jian)相(xiang)位誤差(cha)率每降(jiang) 1°,波(bo)束(shu)偏向誤差(cha)值可大于(yu) 0.5°,旁瓣調控(kong)(kong)提(ti)升 3–6 dB;或使正(zheng)交解調映射控(kong)(kong)制從 40 dB 提(ti)高自(zi)己(ji)到 50 dB 以下。
? 24 fs 的(de)步進(jin)(jin)電機遠不低于系統鬧鐘跳動(典(dian)型的(de) 100–200 fs RMS),因為可把“多余偏差”壓進(jin)(jin) 1° 元,需要滿(man)足公(gong)厘波汽車雷達、移動寬(kuan)帶通(tong)信設(she)備對相位不一性的(de)嚴峻規(gui)范(fan)。
4. 實計適用操作流程
a. 上電后先讓(rang)因此處理器跑默許延緩(0x00)。
b. 用(yong) 外(wai)部校對(dui)源(比如(ru)說 100 MHz 正(zheng)弦(xian)函(han)數(shu)或(huo)如(ru)圖所示相位的帶寬(kuan) chirp)也添加各清(qing)算通道。
c. 經過 FPGA 計算公(gong)式每一個通(tong)路的相位差(cha)值(zhi) Δφ。
d. Δφ 換算成時:Δt = Δφ / (2πf),再(zai)除(chu) 24 fs 取整,讀(du)入 Delay_Trim 寄存器。
e. 第三采樣系統認證,把殘存(cun)誤差度壓到 < ±24 fs(即 < ±0.5°@3 GHz)。
5. 與內部“數字式(shi)插(cha)值(zhi)”相對于的優(you)缺點
? 純虛擬延緩(huan)線不(bu)增強數字5外理延緩(huan),也(ye)不(bu)會(hui)會(hui)形成插值粗差;
? 延緩自動調節在 ADC 里(li)面的(de)到(dao)位,FPGA 端不同再(zai)做子(zi)取樣錯位,節省成本邏輯思維產品(pin);
? 攝氏(shi)度(du)漂(piao)移可(ke)情況賠償標準:整(zheng)體(ti)可(ke)壽命性地反復重(zhong)復步(bu)奏 a-e,構建反饋控(kong)制相(xiang)位(wei)監測。
北京立維創展科技發展是Teledyne E2V的代理商商,首要(yao)供(gong)給量Teledyne E2V變位系(xi)數轉化(hua)器(qi)和半導體技術(shu),有業主(zhu)帶來(lai) Teledyne E2V全類型 DAC(含宇航級(ji)需(xu)求)的設計、鑒定板及系(xi)統(tong)能夠。成(cheng)本優勢可言,歡迎大家了解和咨詢。