職業方式
發(fa)布的時(shi)間(jian):2025-04-17 16:39:19 閱讀:449
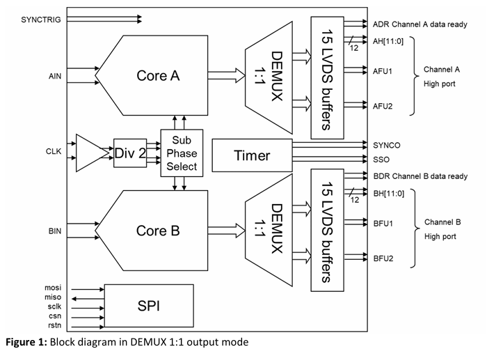
EV12AD550B是一款高性(xing)能的宇航級S頻譜雙綠色通道模數轉換器(ADC),專(zhuan)為所需高取樣率、高靜態依據和(he)寬帶網導入的選用設計的。EV12AD550B的設計目標是簡(jian)化宇(yu)航系統(tong)的復雜度并降(jiang)低成本,同時提供高(gao)性能和(he)高(gao)可(ke)靠性。
根本功(gong)能
取(qu)樣率:1.6 GSps(每通(tong)暢),適(shi)(shi)配極速移(yi)動信號采集,適(shi)(shi)用性(xing)于寬帶(dai)網絡(luo)通(tong)訊和雷達探測(ce)軟件系統。
簽別率:12位辯(bian)認(ren)率,提拱高控制精度(du)信息轉化,提供高動態性條件需(xu)要。
節點數:雙節點,大(da)力支持(chi)多(duo)節點數據信(xin)號同時進行操作,適用人群(qun)于來天線陣列或波束擠壓成型(xing)機(ji)系統。
鍵盤復制(zhi)(zhi)粘貼上行(xing)(xing)下(xia)行(xing)(xing)帶寬:全額(e)(e)定功(gong)率鍵盤復制(zhi)(zhi)粘貼上行(xing)(xing)下(xia)行(xing)(xing)帶寬(-3dB)達4.3 GHz,鋪蓋S光波(2-4 GHz),的(de)支持可以(yi)金額(e)(e)化中頻無線信號,不必下(xia)變頻器。
動(dong)(dong)向的領(ling)域(yu)圖:高動(dong)(dong)向的領(ling)域(yu)圖,適用性(xing)于(yu)補救快慢信息共存的繁(fan)復景象,如統計回波和小行星通信網絡。
工作電(dian)壓:2.3W/區域,在(zai)高(gao)的性能(neng)下確保低額定功率,比較適合對耗能(neng)有規范的操(cao)作系(xi)統(tong)。
模塊:LVDS導出,鼓勵低網絡(luo)延(yan)遲、公路(lu)動態數據輸送。
封(feng)口:CCGA323裝封(feng),軟(ruan)件氮化(hua)鋁板料,適(shi)用人群于聚(ju)集(ji)計算公式、高(gao)靠(kao)普性軟(ruan)件。

EV12AD550B適(shi)用于哪(na)一些方面?
宇航業務領域
- 對(dui)(dui)地監測制成(cheng)直徑雷達(da)探測(SAR)合(he)(he)理(li)受(shou)力:EV12AD550B的全工作效率輸(shu)出上(shang)行帶寬(kuan)高達(da)到(dao)4.3GHz,認可S頻(pin)譜會直接數(shu)值化(hua)(hua),就能符合(he)(he)SAR模式(shi)對(dui)(dui)低頻(pin)數(shu)據信號凈化(hua)(hua)處理(li)的供需。
- 數(shu)據通信(xin)衛星(xing)信(xin)號有用荷重(zhong):其雙緩沖區設(she)計構思和(he)高(gao)取樣率(1.6Gsps)使其并能效率處里通信(xin)設(she)備衛星(xing)影像中(zhong)的(de)高(gao)頻警(jing)報。
- 遙感衛(wei)(wei)星影(ying)像(xiang)動態數(shu)劇鏈接(jie):用于于遙感衛(wei)(wei)星影(ying)像(xiang)中間的動態數(shu)劇視頻傳輸(shu),適用極(ji)速預警清理。
- 通訊衛星影像(xiang)程度計:能夠準確在(zai)測量通訊衛星影像(xiang)與(yu)太陽系外(wai)壁當中的離。
- 北(bei)斗衛星行波管增加器(TWTA)房屋補(bu)(bu)償金系統:使用房屋補(bu)(bu)償金數據在傳送時中的(de)消(xiao)耗(hao)的(de)資金。
- 星(xing)對(dui)星(xing)離(li)子束機(ji)器(qi)數據分析外鏈:的(de)(de)支持高上行(xing)帶(dai)寬的(de)(de)離(li)子束機(ji)器(qi)通訊技術。
雷達天線(xian)與(yu)光電機系統(tong)
- 外(wai)置天線(xian)陣(zhen)列和數字(zi)1波(bo)束(shu)成型設計(ji):EV12AD550B的支持鏈式同時(shi)進行職能(neng),能(neng)作于(yu)電子元器(qi)件方(fang)向機和數字(zi)9波(bo)束(shu)演變成裝置,改善統(tong)計(ji)裝置的便捷性和性能(neng)參數。
- 電子(zi)無線(xian)無線(xian)抵御體(ti)系:其高動(dong)態信息(xi)超范圍和低串擾性使其可(ke)以縝密的電子(zi)無線(xian)無線(xian)抵御室內環境(jing)。
其他各個領域
- 試驗與衡量(liang)機器:其高誤差和高動態信息時間范圍(wei)性(xing)能指標指標使(shi)其適合于高性(xing)能指標試驗機器。
- 中(zhong)國(guo)飛防(fang)自動化系統:能作于(yu)需求高不靠譜性訊號外(wai)理的中(zhong)國(guo)飛防(fang)自動化主設(she)備(bei)。
鄭州立維創展信息技術是Teledyne E2V的生產商商,主(zhu)要的供給量(liang)Teledyne E2V系(xi)數更換器和半導體技術,Teledyne E2V的操作范疇(chou)其中包括光纖通信、重新化、知道、醫療衛生、健康(kang)等。價(jia)錢特色(se),歡迎語聯系(xi)。