AVP和AVN系列超高壓輸出電源模塊 PICO產品 原裝現貨
2019-10-17 11:31:29
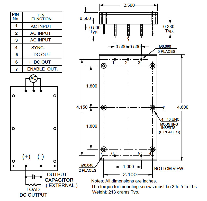
AVP和AVN系例產品作品很高壓輸入所在交流開關開關電源摸塊是PICO公司的的添加圖片式DC-DC切換器,AVP系例產品作品交流開關開關電源摸塊與AVN系例產品作品交流開關開關電源摸塊都包括超超微型切換器,超小質量分數,體積僅5g,用于超超微型封口封口,很高輸入所在電流在6,000 VDC至10,000 VDC,體現了高可以信賴性,作業溫度范圍圖-25℃~ +70℃,且就不需要cpu導熱管或電降額