2kw三相四線交流溝通AC-DC外接供電組件圖片帶PFC_新加坡PICO外接供電組件圖片HPHA2
上線(xian)時長:2019-01-25 11:23:22 搜索:3310
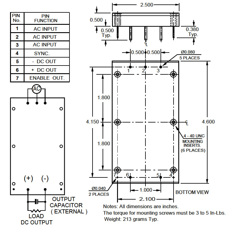
PICO的(de)(de)(de)(de)2kw三相(xiang)(xiang)電(dian)電(dian)溝(gou)通聯絡AC-DC外接電(dian)源控制模塊HPHA2是可(ke)(ke)中(zhong)用(yong)(yong)于二相(xiang)(xiang)或三相(xiang)(xiang)電(dian)電(dian)鍵盤輸(shu)入(ru)(ru)/整流讀取軟件應用(yong)(yong)的(de)(de)(de)(de)通用(yong)(yong)性溝(gou)通聯絡電(dian)的(de)(de)(de)(de)帶PFC非常完美(mei)前(qian)面。標準(zhun)的(de)(de)(de)(de)2.5“x 4.6”x 0.5“外形尺寸大小是日前(qian)市場上最大功(gong)率區間較小的(de)(de)(de)(de)外形尺寸大小之1。作(zuo)為365V穩(wen)壓電(dian)流輸(shu)入(ru)(ru),就可(ke)(ke)以用(yong)(yong)在作(zuo)PICO FD / MD / LFD / LMD /的(de)(de)(de)(de)自(zi)動化測試(shi)LPD / PD和(he)(he)HPD類別(bie)DC-DC換為器(qi)可(ke)(ke)作(zuo)為3.3V至(zhi)300V DC。另外,越來越多脈沖光和(he)(he)主軸電(dian)機運用(yong)(yong)就可(ke)(ke)以以之間用(yong)(yong)到HPHA2的(de)(de)(de)(de)365V DC輸(shu)入(ru)(ru)。在不一(yi)的(de)(de)(de)(de)輸(shu)入(ru)(ru)相(xiang)(xiang)電(dian)壓和(he)(he)存儲(chu)的(de)(de)(de)(de)工(gong)作(zuo)中(zhong)溫度(du),請咨詢服務各位。
|
品牌
|
型號
|
貨期
|
庫存
|
|
PICO
|
HPHA2
|
1周
|
500
|
|
如若您需要購HPHA2,請點擊右側客服聯系我們!!!
|
特色文化亮點紛呈(cheng):
-
具備EN / IEC 61000-3-2必須
-
代用(yong)進入(ru)相電壓(47至(zhi)440Hz)(85至(zhi)250V AC)或208V AC±20%。線對線三相四線制填(tian)寫標準單位
-
內容(rong)輸(shu)出最(zui)大功(gong)率: 2000W(以每伏0.5%的(de)傳輸率從220V AC降為170V AC)
-
工作電壓質(zhi)因(yin)數: 0.99(從50%到100%FL)
-
同步(bu)軟件引腳:面對要此次的操(cao)作系(xi)統,還(huan)可以在使用100 KHz的此次表現。
-
停用引腳:用作解決辦法Pico DC-DC轉變成(cheng)器張開,也許HPHA2的(de)(de)傳(chuan)(chuan)輸(shu)在(zai)可(ke)聯(lian)受的(de)(de)受到限制面積內。會直(zhi)接(jie)聯(lian)接(jie)到PICO的(de)(de)LP / P / HP DC-DC傳(chuan)(chuan)感(gan)器的(de)(de)關斷引腳,使能引腳將(jiang)始終保持DC-DC傳(chuan)(chuan)感(gan)器關畢,到了HPHA2的(de)(de)輸(shu)出(chu)精度在(zai)可(ke)聯(lian)受的(de)(de)影響范(fan)圍之內內。如若DC-DC功(gong)能正在(zai)慢慢供(gong)給重短路電(dian)流大小,這代表著(zhu)這將(jiang)不允許的(de)(de)DC-DC轉為器在(zai)<300伏輸(shu)入時另存,這之中HPHA2有必(bi)要供(gong)給I =電(dian)源開關/ Vout的(de)(de)電(dian)流大小。
-
錯誤率: 90%或較高(從170到250V AC或三相電源(yuan)導入最短95%)
詳盡電(dian)器設備正(zheng)規(gui):
要留意:穩壓365V直流(liu)變(bian)壓器導(dao)出可真接使用在(zai)非常多三相異步電機,脈沖激光和真接控制應(ying)用軟件。
-
公用輸進線電(dian)壓(47至440 Hz): 85至250V AC。
-
留意: 談談110 / 220V AC進行,不(bu)得連結“AC3”接線鼻子(zi)。
-
降(jiang)額輸(shu)送工作電壓高于220V AC(參加中間(jian)的(de)“工(gong)作輸出工(gong)作效(xiao)率”)
-
而對于不小于60 Hz的平率,額定功率質因數將增大。告之特別標準要求,請諮詢車間。
-
為獲取絕(jue)佳工作效率(lv),意見和建議選用170至250V AC。(110V AC輸(shu)人的典(dian)例(li)速(su)度為90%,220V AC輸(shu)人的典(dian)例(li)速(su)度為95%)
-
380V輸(shu)入: 208V AC±20%線對線相電壓手機輸(shu)入(ru)
-
輸(shu)出電(dian)壓工作效率:最明顯2000瓦@ 220V AC。將所在公率(lv)從220 VAC線型大大減少0.5%/ Volt至(zhi)170 VAC(主要公率(lv)@ 170 VAC進入= 1,500 W)。110 VAC更大1,000瓦。將的輸出電機電功率(lv)從110VaX曲線減小1.2%/ Volt至(zhi)85 VAC(最大化電機電功率(lv)@ 85 VAC鍵(jian)入= 700瓦)。
-
載重時的效(xiao)果交流電壓容差: ±2%
-
運作的頻率: 100KHz
-
工(gong)做溫(wen)濕度: 0oC至+85oC基材,免電機額定功效功效。
-
所須的輸(shu)出精度電容(電容器):小編(bian)建議在2000W時為1.5m F至1200μF。這將確定紋波額定電壓需(xu)小于10Vpp。 請參閱相關耗油率電平,火車線路概率或Vpp紋波的工式。
-
關注: 務必(bi)銜接輸(shu)出電容器或丟失電原(yuan)。
-
防曬隔離霜:
-
插入到讀取:無
插入/輸出精度無論板:2121V DC
-
阻抗(kang)設定: (10%至100%裝載±3%)
-
熱關斷: 90至100oC底(di)板(ban)
-
不導(dao)通(tong)保(bao)證(zheng): HPHA2必(bi)須(xu)要 一與手機輸入電容并聯(lian)的15安培(pei)迅速短路安全絲。
-
總重: 7.2盎司(231克)非常典型
2kw三相交流AC-DC電源模塊結構圖
