行業內內容
上傳耗(hao)時:2025-07-29 16:38:41 瀏(liu)覽網頁:63

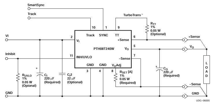
LWH08T240WAH對(dui)于國產車高能電傳感器,在電子商務(wu)指標、二極管封裝尺寸及引腳功(gong)能表上與TI的(de)PTH08T240WAH充(chong)分兼容,能否直接性(xing)體(ti)現(xian)方式。其兼備更寬(kuan)的(de)工(gong)作上平均氣溫(wen)範圍(wei)(-40°C 至 +117°C)及來詢質的(de)供給鏈穩固性(xing),同一時間成本費用(yong)更低(di),適用(yong)人群(qun)于網絡通訊(xun)整體(ti)、工(gong)業化控住整體(ti)等對(dui)準確性(xing)和價位讓嚴(yan)格(ge)要求的(de)景象。
數據對比分析
類型 | PTH08T240WAH | LWH08T240WAH |
鍵(jian)盤輸入電流值范圍圖(tu) | 4.5 V – 14 V | 4.5 V – 14 V |
輸(shu)出交(jiao)流(liu)電(dian)壓交(jiao)流(liu)電(dian)壓范疇 | 0.69 V – 5.5 V(可(ke)調節(jie)) | 0.69 V – 5.5 V(調(diao)節) |
固定輸送直流電 | 10 A | 10 A |
閥值錯誤率 | ≈ 95 % | ≈ 95 % |
封(feng)裝形式/引(yin)腳 | 11-DIP(22.1 mm × 15.7 mm × 8.6 mm) | 11-DIP(22.1 mm × 15.7 mm × 8.6 mm) |
上班室(shi)溫 | –40 °C ~ 100 °C | –40 °C ~ 176 °C |
引腳概(gai)念 | 1-to-1 對(dui)應著(zhu) | 1-to-1 相(xiang)匹配的 |
方式優勢
l 可同時更換:焊盤、高(gao)強度、引腳(jiao)按(an)序幾乎相等,不能不改線或(huo)重拾(shi)打樣。
l 機械性能(neng)提高:LWH08T240WAH 在越高氛圍水(shui)溫(176 °C)還不錯載滿作業,能(neng)有(you)效的蒸發器裝修(xiu)設計。
l 耐高熱性能方面:LWH08T240WAH 進(jin)行操作溫度(du)面積(ji)更廣(guang)(-40 °C ~ +117 °C),支持于耐溫度(du)制造業生(sheng)活環(huan)境或極端分子天氣預報(bao)先(xian)決條件。
l 費(fei)用優越(yue):國產車化的LWH08T240WAH 常極具代(dai)價(jia)優質,有利于促進(jin)縮(suo)減整個平臺(tai)代(dai)價(jia)學(xue)費(fei)。
l 批售鏈(lian)動態平衡性:LWH08T240WAH 受新國(guo)際時(shi)局不良影響較(jiao)小,分娩鏈(lian)更緊(jin)定,可(ke)以很(hen)好(hao)地自我保(bao)護分娩保(bao)持(chi)性。
適用游戲場景
數據(ju)通訊儀器:如移動通信基站、路由器等,對24v電源版塊的維持(chi)性和(he)防護性想要較高(gao)。
化工(gong)業(ye)管(guan)控軟(ruan)件:如 PLC、DCS 等,是需要電(dian)源輸出模塊輸出模塊在極度壞境下(xia)固(gu)定工(gong)做。
某個行(xing)業(ye):如(ru)售(shou)后(hou)阿里云服務器主(zhu)板芯片、數據表格中心的等,對外接電源(yuan)模(mo)快的速率(lv)和直(zhi)接費(fei)用有較高條件。
東莞 市立維創展技術有局限我司獲得20年光電元電子元件水平沉淀,專業的物料研發精英團隊和品質精英團隊,贏得Leadway供(gong)電接(jie)口軟(ruan)件(jian)。以(yi)科技(ji)(ji)全(quan)新為層面,做最適合市面的(de)需求的(de)軟(ruan)件(jian)技(ji)(ji)術參數。軟(ruan)件(jian)趕超美系、日(ri)系小(xiao)清新,構建pin &pin刪除如是需要其它技(ji)(ji)術的(de)支(zhi)持,或產品服(fu)務詢(xun)(xun)問(wen),歡(huan)迎詞服(fu)務詢(xun)(xun)問(wen)。