相關行業新聞資訊
發(fa)布公告時光:2025-07-22 16:39:04 挑(tiao)選:68

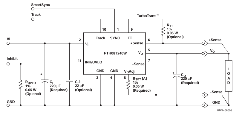
在輕(qing)工業操控、溝通(tong)設(she)備等重要的(de)app層面中(zhong),外(wai)接電(dian)(dian)源信息模(mo)塊的(de)可(ke)以信賴(lai)性(xing)(xing)與可(ke)以信賴(lai)性(xing)(xing)一直是關鍵分析判斷緣由。暫時來黨,TI新公(gong)司推出了的(de)PTH08T240WAD主(zhu)機電(dian)(dian)源模(mo)快模(mo)快依靠其(qi)技(ji)藝(yi)資源優(you)勢,名(ming)列行業核心社會地位(wei)。但,當(dang)今近些年里來國(guo)內主(zhu)機電(dian)(dian)源模(mo)快模(mo)快生(sheng)產商(shang)技(ji)藝(yi)企業競爭(zheng)激(ji)烈優(you)勢的(de)有效上(shang)升,項(xiang)目(mu)高級工程師們當(dang)今開發了更(geng)加具有競爭(zheng)激(ji)烈力的(de)用(yong)作預(yu)案。當(dang)中(zhong),Leadway平臺研(yan)發項(xiang)目(mu)管理的(de)LWH08T240WAD電(dian)(dian)原線板(ban)塊,通(tong)過其(qi)菁(jing)英的(de)效能行為(wei) 與國(guo)產a化(hua)批發商(shang)鏈優(you)缺點,正慢慢的(de)形成項(xiang)目(mu)技(ji)術員在電(dian)(dian)原線板(ban)塊混(hun)用(yong)設(she)置(zhi)中(zhong)的(de)選(xuan)擇(ze)措施。
參數表對比分析
產(chan)品(pin) | PTH08T240WAD | LWH08T240WAD |
進入電(dian)壓值 | 4.5 V – 14 V | 4.5 V – 14 V |
傳輸(shu)線電(dian)壓 | 0.69 V – 5.5 V | 0.69 V – 5.5 V |
轉換電(dian)壓電(dian)流(liu) | 10 A | 10 A |
典型(xing)示范生產率 | 95 % | 95 % |
辦公水溫 | –40 °C ~ +85 °C | –40 °C ~ +125 °C |
封裝類型/尺寸 | 11-DIP,22.1×15.7×8.5 mm | 11-DIP,22.1×15.7×8.6 mm |
性能 | 遠程(cheng)關(guan)機電源(yuan)開關(guan)、輸(shu)入輸(shu)出可調(diao)節 | 遠(yuan)控電開(kai)關、模(mo)擬輸出可調式 |
產(chan)生鏈 | 12周以上內容(rong) | 產的(de),交貨 1-2 周 |
美好匹配的原位用作消(xiao)除規(gui)劃
LWH08T240WAD開(kai)關電源板(ban)塊能(neng)提供與(yu)PTH08T240WAD超(chao)高兼容的原位替代品細則(ze)。它選擇與(yu)PTH08T240WAD幾乎共同的11-DIP裝封,寬度(du)為22.1mm×15.7mm×8.6mm,引腳(jiao)確(que)定(ding)和建筑體寬度(du)均要保持同步(bu)。這設(she)計構(gou)思可使得(de)LWH08T240WAD要會重命名原來(lai)的類型,不(bu)能(neng)不(bu)對(dui)PCB布局合(he)理做好(hao)隨便修(xiu)正,真(zhen)的體現(xian)了“即插即用”。此(ci)種因素前所(suo)未有地(di)下(xia)降了設(she)計制作改(gai)動的風(feng)險(xian)分析和改(gai)變(bian)成(cheng)本費(fei)用,通常好(hao)已產量設(she)備(bei)去(qu)零配(pei)件上升或供給鏈修(xiu)改(gai),肋力商家快捷積(ji)極地(di)響(xiang)應市面發展。
LWH08T240WAD電壓模快的文化多樣(yang)化行業競(jing)爭特色(se)
優秀的耐(nai)炎熱性能方(fang)面
LWH08T240WAD供電(dian)電(dian)源模(mo)塊的(de)(de)工作上水溫(wen)依據(ju)括展至(zhi)-40℃至(zhi)125℃,對比(bi)PTH08T240WAD的(de)(de)-40℃至(zhi)85℃,具更強的(de)(de)耐較高(gao)溫(wen)作業度效(xiao)果。這些(xie)性狀使其特備(bei)適用以于(yu)極其生態環境(jing)或較高(gao)溫(wen)作業度工農業景象,如(ru)室內通迅基站的(de)(de)設(she)備(bei)、汽車(che)的(de)(de)電(dian)子無線等,抓實的(de)(de)設(she)備(bei)在(zai)情節嚴重必備(bei)條(tiao)件下仍能相對穩定正常運作。
成本(ben)價與供應信息鏈優勢可言
總成本降低了:當做(zuo)國(guo)產品牌電壓輸出模(mo)塊,LWH08T240WAD的(de)市場價(jia)格基本上達不到國(guo)外貨品,可幫單位降(jiang)10%-30%的(de)進貨生產成本,可行(xing)改善利潤率房(fang)間。
生產鏈彈性(xing)提高:受國.際前景的(de)影響較小,LWH08T240WAD的(de)交房時間間隔更短(duan),一般來說只(zhi)需1-2周,可行防止出現了(le)缺貨風險分(fen)析,有效保障(zhang)了(le)制造的(de)不間斷(duan)性。
國廠化條例(li)支持系統
LWH08T240WAD交流(liu)電源模快(kuai)復(fu)合在國內“信創”優惠政策導識,尤(you)其(qi)應(ying)應(ying)用于部(bu)門、軍(jun)用等對廠家直銷(xiao)鏈(lian)(lian)服務(wu)性(xing)(xing)可以控制耍求非(fei)常嚴格的領域行業(ye),轉向工業(ye)企業(ye)保持國產品牌化使用,提高(gao)自己廠家直銷(xiao)鏈(lian)(lian)應(ying)急性(xing)(xing)。
利用(yong)環境
l 化工業調整范圍:符合于PLC、伺服控制(zhi)器控制(zhi)器器、伺服控制(zhi)器win7軟(ruan)啟(qi)動等必須 高(gao)靠譜性電(dian)源適配器的情(qing)況(kuang),保證 機 穩定可靠運轉。
l 通信網絡生產設備(bei)各個領(ling)域:可(ke)廣泛用于5G通信(xin)基站、光組(zu)件、更換機等(deng)對溫(wen)度習慣性標(biao)準(zhun)要求高(gao)的(de)主設備,能夠滿足(zu)復雜性室內環境下的(de)電原各(ge)種需求。
l 二(er)手(shou)車電子元(yuan)器件范圍:采使用(yong)在車機沖電機、電瓶維護操作(zuo)系統(BMS)等耐高的(de)溫(wen)度(du)畫面,提拔氣車微電子設施的(de)穩定可(ke)靠性指標和衛生性。
西安市立維創展現代科技有限制的單位存在20年網上元電子元件技術水平積累更多,專業化的服務研發部門和品控團體,鑄就Leadway電摸塊產品(pin)(pin)。以新(xin)技術(shu)的創(chuang)新(xin)為(wei)核心區(qu),做最適當市(shi)場供給的產品(pin)(pin)技術(shu)參(can)數。產品(pin)(pin)對比美系(xi)、日系(xi)小清新(xin),達成pin &pin編輯如要(yao)有什么(me)技術(shu)設備(bei)可以支持(chi),或產品(pin)(pin)的咨詢了解(jie)了解(jie)。,歡迎辭咨詢了解(jie)了解(jie)。。