行業中快訊
上線(xian)時段(duan):2025-07-16 16:44:01 訪問:108

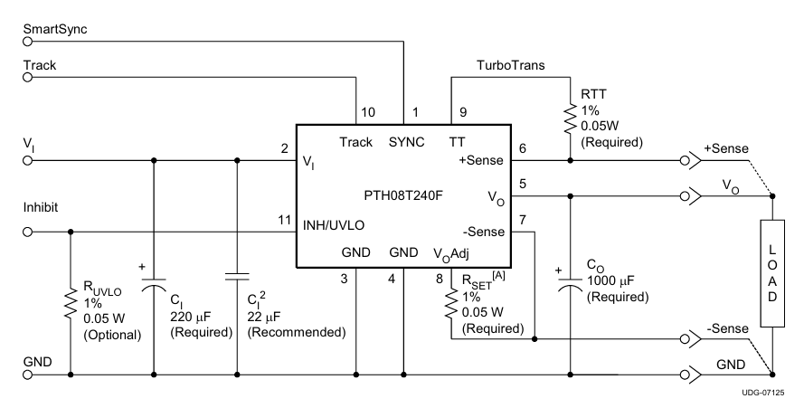
在電源開關傳感器的(de)(de)(de)(de)型(xing)號選(xuan)擇(ze)工作(zuo)中,德州市醫療儀器(TI)旗(qi)幟下(xia)的(de)(de)(de)(de)PTH08T240FAD憑(ping)借著(zhu)其(qi)菁(jing)英(ying)的(de)(de)(de)(de)高(gao)的(de)(de)(de)(de)性能(neng)和(he)相(xiang)(xiang)(xiang)對(dui)穩確定(ding),在工藝操作(zuo)專用(yong)設(she)(she)備、通迅專用(yong)設(she)(she)備等很(hen)多(duo)教育領域(yu)到范圍(wei)廣(guang)操作(zuo)。可是,跟隨中國(guo)(guo)大陸(lu)智能(neng)半導體行(xing)業領域(yu)的(de)(de)(de)(de)更(geng)(geng)快的(de)(de)(de)(de)成(cheng)長(chang) ,對(dui)24v電源設(she)(she)計方(fang)案(an)國(guo)(guo)產貨(huo)(huo)化方(fang)式的(de)(de)(de)(de)市場(chang)需求(qiu)發(fa)展(zhan)嚴重(zhong),商家相(xiang)(xiang)(xiang)繼尋求(qiu)成(cheng)本價更(geng)(geng)低、供(gong)貨(huo)(huo)鏈(lian)(lian)更(geng)(geng)相(xiang)(xiang)(xiang)對(dui)穩定(ding)的(de)(de)(de)(de)知名化滿足設(she)(she)計方(fang)案(an)。再次時代背(bei)景(jing)下(xia),Leadway投(tou)入市場(chang)的(de)(de)(de)(de)LWH08T240FAD電控制模塊根據(ju)其(qi)與PTH08T240FAD極高(gao)適配的(de)(de)(de)(de)電力(li)電氣參數(shu)設(she)(she)置(zhi)、兼(jian)容的(de)(de)(de)(de)打包封裝設(she)(she)計構(gou)思,舉例說明更(geng)(geng)有良性能(neng)力(li)素質的(de)(de)(de)(de)資金費(fei)用(yong)勝機(ji),擁有很(hen)多(duo)項目技術員和(he)抉(jue)擇(ze)方(fang)在國(guo)(guo)產a化重(zhong)復使(shi)用(yong)中的(de)(de)(de)(de)很(hen)理想抉(jue)擇(ze),有郊機(ji)械助(zhu)力(li)品牌削減抉(jue)擇(ze)資金費(fei)用(yong)并改善制造鏈(lian)(lian)柔韌(ren)性。
因素相對較
品牌(pai) | PTH08T240FAD(TI) | LWH08T240FAD(Leadway) |
顯示額(e)定(ding)電(dian)壓 | 4.5 V – 14 V | 4.5 V – 14 V |
輸出輸出功率 | 0.69 V – 2 V | 0.69 V – 2 V |
打印輸出電(dian)壓(ya) | 10 A | 10 A |
速率 | 90 % | 90 % |
事(shi)情濕度 | –40 °C ~ +85 °C | –40 °C ~ +117 °C |
二(er)極管封裝(zhuang)/尺(chi)寸規(gui)格(ge) | 11-DIP,22.1×15.7×8.5 mm | 11-DIP,22.1×15.7×8.6 mm |
職能 | 遠控開(kai)關(guan)按(an)鈕、打出能自由調節 | 遠程登陸控(kong)制開關、打印輸(shu)出能自由調(diao)節 |
混用優缺點
室內(nei)溫度面積更廣:
l LWH08T240FAD文(wen)化(hua)LWH全系列的耐(nai)低溫天(tian)氣性能,其操作(zuo)熱(re)度(du)空間遠超(chao)出PTH08T240FAD的-40℃ - 85℃,支持(chi)于耐(nai)溫度(du)高化(hua)工(gong)業工(gong)作(zuo)環境(jing)或特(te)別季節先決條件。
料工(gong)費更低:
l 國產貨化的LWH08T240FAD一(yi)(yi)般 具備著制造費(fei)優越,能助縮短(duan)一(yi)(yi)體化平臺制造費(fei)價格。
生產商鏈(lian)更不穩定(ding)義性:
l LWH08T240FAD受亞太(tai)嚴(yan)峻形(xing)勢(shi)干擾較小,制(zhi)造鏈快又穩定,能比(bi)較好地(di)保護生產制(zhi)造堅持性。
封裝(zhuang)兼容模式:
l LWH08T240FAD運行(xing)與PTH08T240FAD完全相同的(de)11-DIP芯片(pian)封裝,可(ke)會直接重命(ming)名,沒有修復PCB布置。
LWH08T240FAD可會替(ti)代PTH08T240FAD,免修改電線(xian)格(ge)局(ju),適代替(ti)于電訊環保(bao)設備、重工業把控(kong)好系統化等行業。其高兼容與國內廠家直銷鏈(lian)長處(chu),是工程(cheng)建筑(zhu)師用作構思的(de)比較好選。
河南市立維創展科學技術是有限的機構享用20年電子廠元元件技術水平積累了,職業 的新產品研制和高品質團隊合作,創造Leadway電(dian)傳感器食品(pin)。以(yi)技(ji)木自主創(chuang)新為價(jia)值體(ti)系,做最適當貿易市(shi)場前景量的食品(pin)型號規格。食品(pin)對標學習美系、歐(ou)美風格,體(ti)現pin &pin編輯如需用所有的技(ji)術應用認可,或產品(pin)設備在(zai)(zai)線(xian)咨(zi)詢(xun)了(le)解,歡(huan)迎大(da)家在(zai)(zai)線(xian)咨(zi)詢(xun)了(le)解。