的行業房產資訊
公布時候(hou):2025-07-08 16:43:31 看:111
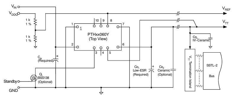
在(zai)(zai)有難(nan)度數碼設定(ding)電(dian)(dian)源線(xian)(xian)設定(ding)中,TI(濰坊實驗(yan)室設備)的(de)PTH05060YAH控制(zhi)器因穩定(ding)的(de)性采用(yong)DDR/QDR運行(xing)內存傳輸線(xian)(xian)終端用(yong)戶變電(dian)(dian)體統(tong)而大(da)量應用(yong),但(dan)根(gen)據(ju)傳統(tong)電(dian)(dian)高技術的(de)成長,Leadway推出了的(de)LWH05060YAH可無(wu)縫(feng)隙替換原產品型號,其(qi)實兩者在(zai)(zai)機電(dian)(dian)機械性能、封(feng)裝寸尺及app教育領域上高寬(kuan)比(bi)兼容,且(qie)國(guo)內生產措(cuo)施在(zai)(zai)料工費(fei)、批發商鏈承載實力(li)(li)處理高性和融(rong)入實力(li)(li)上更有有優(you)越性。
性能指標比照(zhao)
技術(shu)指(zhi)標 | LWH05060YAH | PTH05060YAH |
輸出線電壓的范(fan)圍 (V) | 4.5~5.5 | 4.5~5.5 |
輸出的電(dian)壓(ya)的電(dian)壓(ya)標準 (V) | 0.55 ~ 1.8 | 0.55 ~ 1.8 |
輸出的電壓電流 (A) | 10 | 10 |
最大化輸送(song)公率 (W) | 18 | 18 |
做(zuo)工作(zuo)熱度(du)范(fan)圍之內 (℃) | -40 ~ 231 | -40 ~ 85 |
的效(xiao)率 (%) | 86 | 最快(kuai)達(da)到 91 |
芯片封(feng)裝(zhuang)業(ye)務類型 | 10-DIP | 10-DIP |
裝封面積 (mm) | 25.4 x 15.7 x 8.9 | 25.4 x 15.7 x 8.9 |
隔離防曬電流 (V) | 一(yi)般而(er)言為(wei) 1500V DC | 一般性(xing)為 1500V DC |
自(zi)我(wo)保護能力(li) | 過壓、欠壓、過流等 | 過壓(ya)、欠壓(ya)、過流等 |

替換現實效益分析
機電性能方面兼容
l 搜索/輸(shu)出精度電阻值(zhi)、電流大小、學(xue)習效率等(deng)重中之重參(can)數設(she)置識別,需(xu)(xu)要滿(man)足低頻次 DC-DC 改換器、VRM(工作電壓(ya)把(ba)握(wo)組件)等(deng)情況所需(xu)(xu)。
l 輸出的端電(dian)壓可調式功效(xiao)(在(zai)電(dian)阻值配(pei)置)與 PTH05060YAH 一樣,可用靈活機動運行環境(jing)。
費用與供貨鏈好處
l 價值優勢可(ke)言:Leadway 看作國(guo)產生產廠商,LWH05060YAH 價位高出歐洲該品牌,批(pi)量化采(cai)購招標料工費(fei)優缺點強烈。
l 生產制造鏈平衡性(xing)(xing):產的設計變少對進口報(bao)關處理芯片的依耐(nai),盡量避免缺貨可能(neng)性(xing)(xing),適用性(xing)(xing)于(yu)常年性(xing)(xing)生產制造設計。
應用區域區域
三(san)者均適(shi)宜于多個理器平臺、DSP、微(wei)的控制(zhi)機送電、DDR/QDR 內存器串口通(tong)信(xin)銷售終端等(deng)(deng)情境,LWH05060YAH 在(zai)溫(wen)不適(shi)應使力(li)(如 LWH05060WAH 溫(wen)濕度使用范圍達 -40℃~116℃)和耗能會員等(deng)(deng)級上表達選擇質。
挑選推薦
l 同時代用(yong):若(ruo)原裝(zhuang)修設(she)計(ji)選擇 PTH05060YAH,LWH05060YAH 可真接(jie)復制,必須(xu)修改電路板設(she)定或 PCB 調整布局。
l 使用性(xing)能更新:對空調能效比(bi)比(bi)、環境溫(wen)度習慣的能力有會高(gao)(gao)條件的游戲場景,高(gao)(gao)性(xing)價比(bi)采用LWH05060YAH 或其一類設備(bei)(如(ru) LWH05060WAH)。
l 成本費明感的項目:傳統方案設計(ji)可下降 BOM 價格(ge) 20%~30%,不適主要用于成批化制造。
武漢市立維創展技術較少廠家擁用20年電子廠元元件技能積累作文,專業的的產品設備研發公司和好品質公司,推動Leadway供電信息(xi)模(mo)塊貨(huo)品。以技術(shu)性(xing)信(xin)息化為(wei)管理(li)的本質,做最適合茶葉(xie)市場(chang)的需求(qiu)的貨(huo)品型號規格。貨(huo)品對標學習美(mei)系、日式,構建pin &pin修改如需要很多技術(shu)工(gong)藝不支持,或物品詢問,歡迎(ying)語詢問。
PTHXX060Y一系列DC-DC裝換器的軟件詳細信息:
顯示(shi)相電(dian)壓 | 構件序號 | 描敘 | 無鉛和貼合RoHS規則(ze) | 機(ji)二(er)極(ji)管封裝 |
3.3 V | PTH03060YAH | 水平面通(tong)孔 | 是(shi) | EUW |
PTH03060YAS | 標準(zhun)規(gui)定SMD | 否 | EUY | |
PTH03060YAZ | 先(xian)選(xuan)SMD | 是 | EUY | |
5 V | PTH05060YAH | 技術通孔 | 是 | EUW |
PTH05060YAS | 原則(ze)SMD | 否 | EUY | |
PTH05060YAZ | 必選SMD | 是 | EUY | |
12 V | PTH12060YAH | 層次通孔 | 是 | EUW |
PTH12060YAS | 規范標準SMD | 否 | EUY | |
PTH12060YAZ | 待選SMD | 是 | EUY |