制造行業方式
發布(bu)新聞期限:2025-07-02 16:46:07 瀏(liu)覽記錄(lu):198

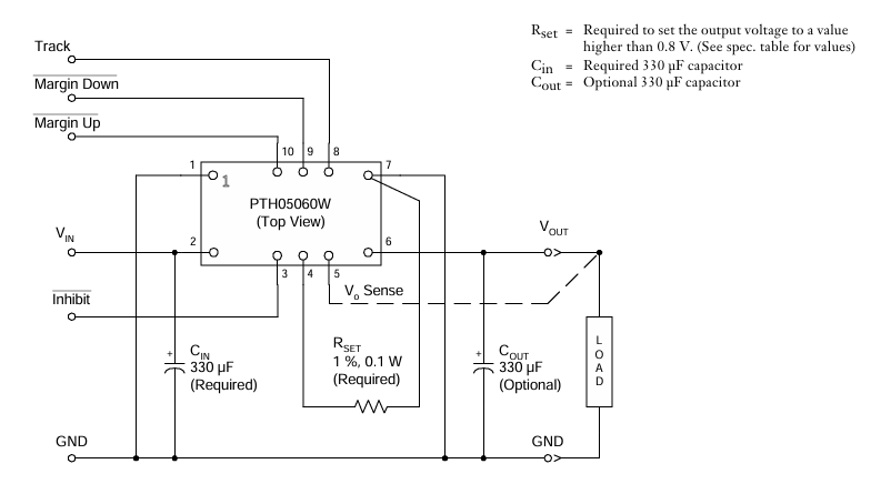
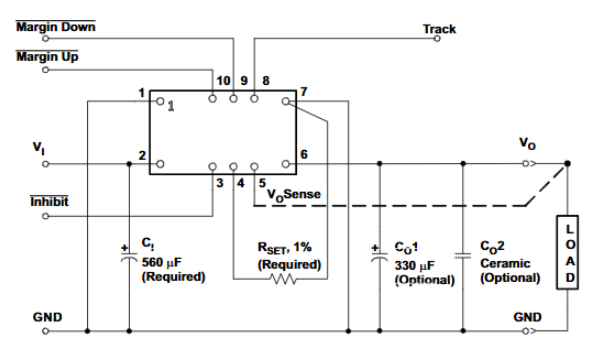
在(zai)縝(zhen)密多核解決(jue)器羅馬數(shu)字機系統的(de)(de)(de)供電(dian)控制電(dian)路中(zhong),TI的(de)(de)(de)PTH05060WAH功能(neng)模塊借助于其高(gao)(gao)輸出(chu)電(dian)壓電(dian)流和主體工程型(xing)規格(ge)尺寸大受認可(ke)。不過,跟著國產電(dian)壓技(ji)術應用的(de)(de)(de)成長,Leadway退出(chu)的(de)(de)(de)LWH05060WAH展示(shi)了圓滿的(de)(de)(de)原位充當設計(ji),在(zai)能(neng)力參(can)數(shu)設置(zhi)高(gao)(gao)精度連接的(de)(de)(de)首(shou)要(yao)條(tiao)件下,繼續驟健全了溫度表適應能(neng)力性和耗能(neng)層級展示(shi)。
參數值可比(bi)性
參數值 | PTH05060WAH(TI) | LWH05060WAH(Leadway) |
插入額(e)定電壓標準 | 4.5V ~ 5.5V | 4.5V ~ 5.5V |
模擬輸(shu)出電(dian)壓值區間 | 0.8V ~ 3.6V(可控) | 0.8V ~ 3.6V(調節) |
輸入直流電(dian)壓(ya) | 10A | 10A |
質量 | 94% | 94% |
封口盡寸 | 10-DIP(25.4mm × 15.7mm × 8.9mm) | 10-DIP(25.4mm × 15.7mm × 8.9mm) |
工作中溫暖 | -40℃ ~ 85℃ | -40℃ ~ 116℃ |
LWH05060WAH重要(yao)技能(neng):
電阻功率調液壓(ya)機制:經(jing)過外接(jie)0.1W 1%精密度計算電阻值(100ppm/℃溫漂規范)保持0.8V-3.6V深(shen)度貧(pin)困(kun)打(da)出
定時追綜(zong)技術應用(yong):兼(jian)容(rong)多(duo)傳(chuan)感器同(tong)樣通電時序管理(li)
守(shou)護(hu)區新機(ji)制:集成(cheng)化(hua)非密(mi)閉過電流(liu)量(liang)守(shou)護(hu)區、控制引腳關斷特點
Vo觸覺補償金:可以選擇(ze)擇(ze)無線(xian)連接(jie)以調理(li)新線(xian)路壓降
使用有用性
電力效能兼容
- 設置/輸(shu)送(song)直(zhi)流(liu)電(dian)壓依據、電(dian)流(liu)量、使用率關鍵不對,能進行替(ti)代(dai)沒有優化電(dian)線設計構思(si)。
- 輸出精度(du)端電壓可(ke)變實用功能(順利通過功率電阻設為(wei))與 TI 原規格型(xing)號統一,充分考慮具備靈活性(xing)高配置單實際(ji)需求。
機械設備制造盡寸配備
- 二(er)極管封(feng)裝樣(yang)式(10-DIP)及面積(ji)截然差(cha)不多,PCB 布(bu)局(ju)合理需不需要(yao)調節,削(xue)減(jian)截取(qu)投入(ru)。
應用3d場景蓋住
- 都適用人群于 DC/DC 轉(zhuan)為(wei)器(qi)、VRM(電阻值調整板(ban)塊)等高(gao)頻(pin)帶(dai)寬(kuan)度率、大直流電壓主(zhu)機電源景象,個(ge)人目標應該用分為(wei)很多處理器(qi)系(xi)統、DSP、微調節器(qi)變電等。
總成本與生產商鏈優越
- Leadway 用于(yu)國內自(zi)主研發(fa)產商,市(shi)場價格也會更(geng)有行業力,且現貨物(wu)流信息系(xi)統固(gu)定效能強于(yu)部(bu)位進(jin)口貨高端品牌。
成都市立維創展科技有限制的子公司有限制的子公司成為20年光電元集成電路芯片技術性積聚,技術專業的物料研發部和高質量組織,致使Leadway開(kai)關電(dian)源電(dian)源模塊服務。以技藝什么是創新為中心,做最好的市場所需的服務型號。服務競品美系、日系小清新,建立pin &pin截取如需用(yong)絲毫枝術能夠,或(huo)的產品(pin)詢(xun)問了解。,歡迎語(yu)詢(xun)問了解。.