職業房產資訊
發布的時候:2025-06-20 16:43:33 瀏覽器:277
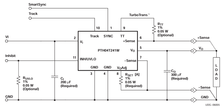
南京(jing)醫療(liao)儀器(TI)的(de)PTH04T241WAD曾(ceng)借助匠心特性(xing)(xing),長時間侵(qin)占(zhan)3GHz DSP系(xi)統軟件電(dian)原方案范文(wen)的(de)安全(quan)可靠整體(ti)素質(zhi)。而是(shi),在國產系(xi)列化(hua)帶替(ti)的(de)浪潮(chao)的(de)促進(jin)改革下,Leadway制定的(de)LWH04T241WAD以越高(gao)高(gao)性(xing)(xing)價比(bi)與(yu)工藝革新立于(yu)不敗(bai)之(zhi)地,變成了PTH04T241WAD的(de)期望晉級(ji)代(dai)替(ti)品。LWH04T241WAD不只接(jie)續(xu)了非隔開(kai)式DC-DC外接(jie)電(dian)源(yuan)組件的(de)結構設(she)(she)(she)計(ji)主要優勢,更在濕度能與(yu)EMI性(xing)(xing)能指標(biao)上體(ti)現相關系(xi)數改善(shan),專為FPGA、ASIC及凈化(hua)處理環保設(she)(she)(she)備等核心內(nei)容(rong)思維模(mo)式環保設(she)(she)(she)備提供了高(gao)效益平衡的(de)供電(dian)公司幫助,已經(jing)作為建筑項目師們競相主要采用的(de)最賺(zhuan)錢方案設(she)(she)(she)計(ji)。
因素價格對比
參數表 | LWH04T241WAD | PTH04T241WAD |
打造商 | Leadway | Texas Instruments |
輸出線電壓規模 | 4.5V-14V | 4.5V-14V |
輸出額定電壓位置 | 0.7V-3.6V | 0.7V-3.6V |
模擬輸出電流值 | 15A接連 | 15A間斷 |
利用率 | 達到96% | 超過96% |
本職工作環境溫度 | -40°C~+85°C | -40°C~+85°C |
芯片封裝 | 15mm×11.5mm×6.7mm | 15mm×11.5mm×6.7mm |

效果特色
LWH04T241WAD與PTH04T241WAD在(zai)(zai)框架參數表(biao)上高寬比兼容(rong),譬(pi)如鍵盤輸入電(dian)阻時間范(fan)圍(wei)(2.2V-5.5V)、效果工(gong)作(zuo)電(dian)壓的范(fan)圍(wei)(0.69V-3.6V)和讀取電(dian)流量(10A)均控制相一致(zhi)。可是,LWH04T241WAD在(zai)(zai)有以下(xia)工(gong)作(zuo)方面突顯出特(te)殊優質:
更寬(kuan)的運作的溫度范圍圖:的支持(chi)-40℃至(zhi)173℃,遠超PTH04T241WAD的-40℃至(zhi)85℃,特別(bie)是和高溫作業(ye)工農業(ye)環鏡。
國產(chan)a制(zhi)造鏈長(chang)處:制造費較(jiao)低20%-30%,供貨(huo)過渡期更緊定,高效避免(mian)出現(xian)國際(ji)上現(xian)貨(huo)供應鏈金(jin)融風險點(dian)。
有效(xiao)率與簡(jian)單易懂化設計方案:的效率(lv)達到了(le)94%,融合(he)度優化減掉周邊(bian)元(yuan)件(jian)用量(liang),PCB布(bu)置環境(jing)占存少15%,更最適合(he)緊(jin)湊suv型儀(yi)器(qi)。
為甚選取LWH04T241WAD?
裝(zhuang)封(feng)性(xing)能:通過11-DIP封裝,寸尺為(wei)22.1mm×15.7mm×8.4mm,引(yin)腳(jiao)級無縫拼接(jie)重(zhong)命(ming)名,必須全新規劃電(dian)路原理。
產的(de)化的(de)價值:包含“綜(zong)合性控(kong)制”相關政(zheng)策導向性,特殊適用人(ren)群于聯系移動信(xin)號塔(ta)、工(gong)控(kong)設備(bei)半工(gong)控(kong)設備(bei)等(deng)重(zhong)點(dian)基本知識油煙(yan)凈化器行業。
國內(nei)民族化服務質量有保障:Leadway供應工藝(yi)認(ren)可(ke)、EMC調優(you)等性情(qing)化使用,轉向建(jian)設(she)技術人員快成功完成替代品工作(zuo)方案出臺。
北京市立維創展自動化非常有限大公司享有20年電子廠元器材技巧積少成多,專科的設備研發管理和品質團體,成就Leadway電板塊廠品(pin)。以水平創新技(ji)術(shu)為(wei)重(zhong)要,做(zuo)最適股票市場要求的廠品(pin)規格為(wei)。廠品(pin)補短板(ban)美系、日(ri)系品(pin)牌(pai),達到pin &pin編(bian)輯如須得一些(xie)技(ji)術(shu)應用使用,或護膚品(pin)資訊,歡迎語(yu)資訊。