該行業新聞
發布了事件:2025-05-28 16:30:31 訪問:346
在電壓版(ban)塊選(xuan)擇中,PTH03060WAH就是一款精選(xuan)的高性(xing)能DC/DC電源模塊(kuai),但當場臨要貨生長(chang)期或利潤一些(xie)問題時,建筑(zhu)技(ji)術(shu)人員必須 搜尋代替工(gong)作方案。LWH03060WAH用做為PTH03060WAH的改用細則,針對在(zai)(zai)工(gong)業(ye)制造控(kong)制、數(shu)(shu)據通信(xin)器材及測(ce)試方法儀器設備(bei)等對可以信(xin)賴性和(he)錯誤率標準(zhun)較高的情境(jing)中,倆者(zhe)在(zai)(zai)技(ji)藝參數(shu)(shu)表和(he)模塊上(shang)還(huan)具有(you)寬度性能。
LWH03060WAH換用PTH03060WAH的優勢(shi)可(ke)言(yan):
封裝(zhuang)與兼(jian)容模式
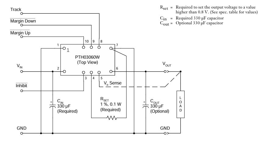
二極管封裝式樣類(lei)似:LWH03060WAH和PTH03060WAH均使用(yong)10-DIP封裝類型(xing)款式(shi),外形尺寸為25.4mm x 15.7mm x 8.9mm,引腳設定(ding)和安裝使用(yong)方式(shi)方法可以(yi)同步,可會直(zhi)接截取原線路中(zhong)的(de)PTH03060WAH,不(bu)要更該PCB格局。
機(ji)械耐熱性(xing)
轉換轉換依(yi)據不一:LWH03060WAH的輸入(ru)電壓(ya)值(zhi)規模為2.95V至(zhi)3.65V,輸出相電壓(ya)可控條件為0.8V至(zhi)2.5V,最(zui)多打出感應電流10A,與PTH03060WAH的參數表完(wan)全性(xing)切換,抓(zhua)好電路系統模塊平衡。
率相當的:二者(zhe)錯誤(wu)率均(jun)為93%,在同一(yi)電流情(qing)況(kuang)下功耗測試和升(sheng)溫量通常保持一(yi)致,沒有懂(dong)得調整水(shui)冷散熱結(jie)構設計。

任(ren)務氣溫依據
更寬的高(gao)低溫適于性:LWH03060WAH做工作的溫度依據為-40℃至(zhi)126℃,而PTH03060WAH為-40℃至(zhi)85℃。LWH03060WAH在恒溫情況下的不穩確定性(xing)可選,是和很(hen)冷東北部(bu)或對恒溫有(you)特殊性(xing)規定要(yao)求的工業生產軟件。
供給鏈與料(liao)工(gong)費
供(gong)應商頻次更短(duan):LWH03060WAH的(de)交付(fu)期(qi)常常為4至(zhi)6周,而PTH03060WAH或者因專業市場供貨狀態拉長至(zhi)8至(zhi)12周。
資金的優勢(shi):LWH03060WAH的(de)成本價較(jiao)PTH03060WAH低約15%至20%,文件批量選擇(ze)時成本費(fei)用節(jie)約開支更非常(chang)明(ming)顯。
長期性(xing)可信性(xing)
人(ren)類壽命時間間隔更長(chang):LWH03060WAH的(de)控制模(mo)塊質(zhi)保期階段為10年,而PTH03060WAH為8年,限制了(le)機械維(wei)持(chi)和替換的(de)頻(pin)繁 。
抗(kang)影響學習能力更強:LWH03060WAH在工業品大(da)氛(fen)(fen)圍中的磁感應兼容(rong)問題現象良好,非常適合比較(jiao)復(fu)雜磁感應大(da)氛(fen)(fen)圍下的用(yong)途。
北京市立維創展科技集團公司非常有限集團公司獲得20年電子元器材元器材技巧積累了,正規專業的設備研發管理和品控人員,鑄就Leadway電源(yuan)適配器功能類產品(pin)。以(yi)技(ji)木的(de)創新(xin)為基(ji)本點,做(zuo)最(zui)非常(chang)適合市場上(shang)訴(su)求的(de)類產品(pin)規格。類產品(pin)對標管(guan)理美系、日韓(han)風,實現(xian)了(le)pin &pin轉換如需一切技(ji)術設備支技(ji),或(huo)服務詳詢,熱情(qing)接(jie)待詳詢。
Leadway類(lei)型 | 可刪除(chu)TI尺寸 | 讀取電流時間范圍 | 轉換電流規模 | 內容輸出直流電 | 工作中環境溫度范疇 | 的效率 | 芯片封裝(zhuang)長寬比(bi) (LWH) |
LWH03060WAH | PTH03060WAH | 2.95~3.65V | 0.8 ~ 2.5V | 10A | -40℃ ~ 126℃ | 93% | 10-DIP 25.4mm x 15.7mm x 8.9mm |