HMC7149/HMC7149-SX氮化鎵(GaN) MMIC效率增加器 ADI現貨平臺地區代理
上傳精力:2018-06-22 16:02:59 查看:2370
HMC7149一款10W氮化鎵(GaN) MMIC最大電率調大器,工做頻段區間為6至18 GHz。 一般而言原因下,該調大器帶來20 dB的小信息收獲、+40 dBm的過飽和輸出最大電率還有+39.5 dBm的輸出IP3(每信息音+28 dBm輸出最大電率時)。 采取+28V直流電電時,HMC7149的功耗測試為680 mA。 RF I/O一致至50 Ω,都可以便于結合到多電子器件組件(MCM)中。 各個電氣開關設備性能參數信息均經過電氣開關設備連入至寬度為1.02 mm (40 mil)的CuMo媒體的電子器件得,而諸多直徑為為1.0 mil的焊線連入電子器件至50 ?腐蝕鋁接入的線路。
|
品牌
|
型號
|
描述
|
貨期
|
庫存
|
|
ADI
|
HMC7149
HMC7149-SX
|
10 W GaN MMIC功率放大器,6 - 18 GHz
|
現貨
|
100
|
HMC7149技術應用
HMC7149優勢和特點
-
高Psat: +40 dBm
-
Psat時的功率增益: +10 dB
-
高輸出IP3: +39.5 dBm
-
小信號增益: 20 dB
-
電源電壓: +28V (0.680 A)
-
50 Ω匹配輸入/輸出
-
芯片尺寸: 3.4 x 4.5 x 0.1 mm2
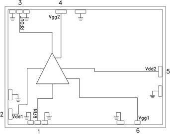
HMC7149結構圖
